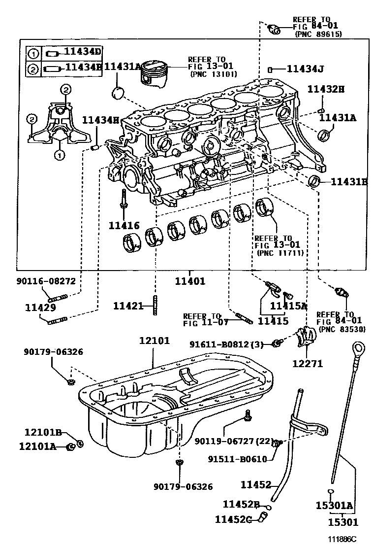
CYLINDER BLOCK

1107
11401BLOCK SUB-ASSY, CYLINDER
sub11401-49725
sub11401-49658
sub11401-49765
sub11401-49696
sub11401-49706
sub11401-49707
sub11401-49726
sub11401-80711
11415APLUG, WATER DRAIN COCK(FOR CYLINDER BLOCK)
11416BOLT(FOR CRANKSHAFT BEARING CAP SET)
11421BOLT, STUD(FOR OIL PAN)
11429BOLT, STUD(FOR ALTERNATOR BRACKET)
11431APLUG, TIGHT, NO.1(FOR CYLINDER BLOCK)
11431BPLUG, TIGHT, NO.2(FOR CYLINDER BLOCK)
11432HPLUG, W/HEAD TAPER SCREW, NO.5
11434BPIN, STRAIGHT(FOR CLUTCH HOUSING SET)
11434DPIN, STRAIGHT(FOR ENGINE REAR OIL SEAL)
11434HPIN, RING (FOR TIMING BELT COVER SET)
11434JPIN, RING (FOR CYLINDER HEAD SET)
11452GUIDE, OIL LEVEL GAGE
11452BRING, O(FOR OIL LEVEL GAGE GUIDE)
11452CUNION(FOR OIL LEVEL GAGE GUIDE)
12101PAN SUB-ASSY, OIL
12101BGASKET(FOR OIL PAN DRAIN PLUG)
12271SCREEN, OIL SEPARATOR
1301
15301GAGE SUB-ASSY, OIL LEVEL
15301ARING, O(FOR OIL LEVEL GAGE)
8401
9011608272
main90116-08272
9011906727
main90119-06727
9017906326
main90179-06326
91511B0610
main91511-B0610
91611B0812
main91611-B0812
30 parts on this diagram · 7 diagrams in section