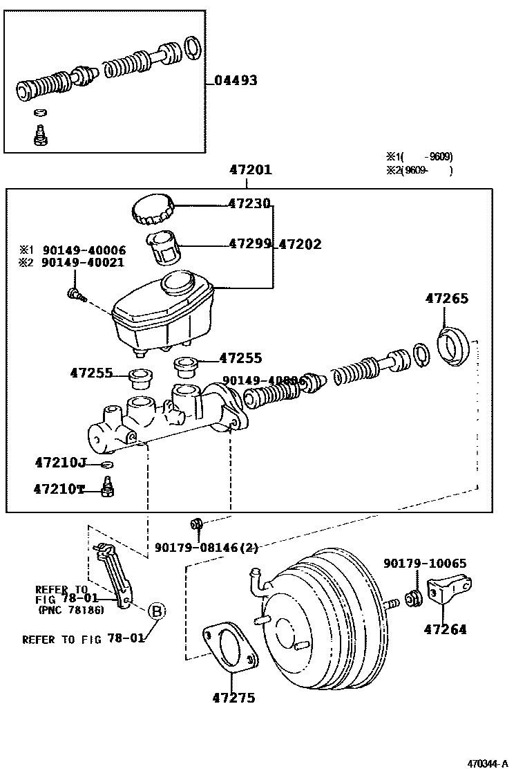
BRAKE MASTER CYLINDER

47201CYLINDER SUB-ASSY, BRAKE MASTER
47210JGASKET(FOR MASTER CYLINDER)
47210TBOLT(FOR BRAKE MASTER CYLINDER)
47255GROMMET, MASTER CYLINDER RESERVOIR
47264CLEVIS, MASTER CYLINDER PUSH ROD
47265BOOT, MASTER CYLINDER
47275GASKET, BRAKE MASTER CYLINDER
47299STRAINER, BRAKE MASTER CYLINDER RESERVOIR
7801
9014940006
main90149-40006
9014940021
main90149-40021
9017908146
main90179-08146
9017910065
main90179-10065
16 parts on this diagram · 8 diagrams in section