E
EPC Data

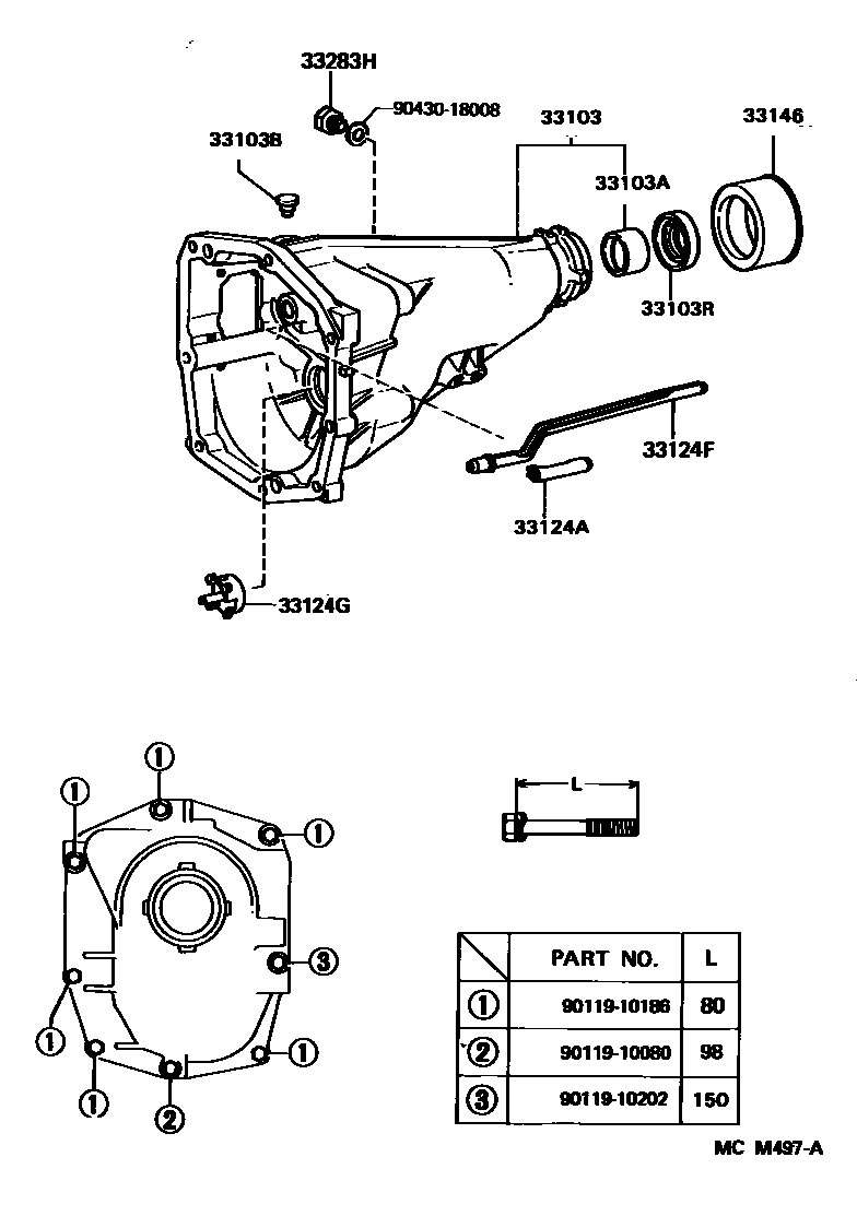
EXTENSION HOUSING (MTM)

Parts diagram
33103HOUSING SUB-ASSY, EXTENSION(MTM)
main33103-30172i199110-199512
main33103-30200i199110-199208
main33103-30201i199208
33103ABUSH(FOR MANUAL TRANSMISSION EXTENSION HOUSING)
main90999-73105i199110
main90999-73120i199110-199512
33103BPLUG, BREATHER(FOR TRANSMISSION EXTENSION HOUSING)
main90930-03080i199110-199512
33103RSEAL, OIL(FOR MANUAL TRANSMISSION EXTENSION HOUSING)
main90311-38032i199110
33124ACLAMP(FOR TRANSMISSION OIL RECEIVER PIPE)
main90463-08036i199110-199512
33124FPIPE, OIL RECEIVER, NO.1(FOR EXTENSION HOUSING)
main33106-30040i199110
main33124-30061i199110-199512
33124GPIPE, OIL RECEIVER, NO.2(FOR EXTENSION HOUSING)
main33124-30080i199110-199512
33146DEFLECTOR, EXTENSION HOUSING DUST(MTM)
main33146-30010i199110-199904
33283HPLUG, W/HEAD STRAIGHT SCREW
main90341-18006i199110-199512
9011910080
9011910186
9011910202
9043018008

13 parts on this diagram · 2 diagrams in section

EXTENSION HOUSING (MTM) — Toyota Parts Diagram with OEM Numbers & Prices | EPC Data