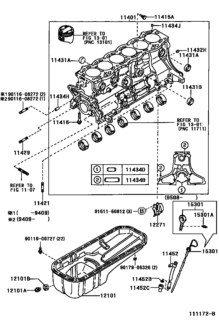
CYLINDER BLOCK

1107
11401BLOCK SUB-ASSY, CYLINDER
sub11401-49647
sub11401-49667
sub11401-79825
sub11401-80020
sub11401-80027
sub11401-80031
11415COCK SUB-ASSY, WATER DRAIN(FOR CYLINDER BLOCK)
11415APLUG, WATER DRAIN COCK(FOR CYLINDER BLOCK)
11416BOLT(FOR CRANKSHAFT BEARING CAP SET)
11421BOLT, STUD(FOR OIL PAN)
11429BOLT, STUD(FOR ALTERNATOR BRACKET)
11431APLUG, TIGHT, NO.1(FOR CYLINDER BLOCK)
11431BPLUG, TIGHT, NO.2(FOR CYLINDER BLOCK)
11432HPLUG, W/HEAD TAPER SCREW, NO.5
11434BPIN, STRAIGHT(FOR CLUTCH HOUSING SET)
11434DPIN, STRAIGHT(FOR ENGINE REAR OIL SEAL)
11434HPIN, RING (FOR TIMING BELT COVER SET)
11434JPIN, RING (FOR CYLINDER HEAD SET)
11452GUIDE, OIL LEVEL GAGE
11452BRING, O(FOR OIL LEVEL GAGE GUIDE)
11452CUNION(FOR OIL LEVEL GAGE GUIDE)
1301
15301ARING, O(FOR OIL LEVEL GAGE)
9011608272
main90116-08272
9011906727
main90119-06727
9017906326
main90179-06326
9161160812
main91611-60812
28 parts on this diagram · 6 diagrams in section