E
EPC Data
Pricing
Sign In
Home
›
JP
›
331150
›
TRANSAXLE OR TRANSMISSION ASSY & GASKET KIT (ATM)
TRANSAXLE OR TRANSMISSION ASSY & GASKET KIT (ATM)
0001 1
0002 1
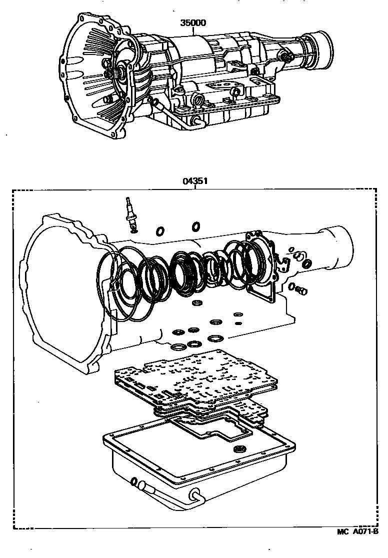
04351
GASKET KIT, AUTOMATIC TRANSMISSION OVERHAUL
main
04351-14014
i
GS120..ATM
198308-198409
main
04351-14015
i
GS120..ATM
198409-198506
main
04351-14030
i
GS120..ATM
198506-198708
main
04351-30063
i
LS12#,MS120..ATM..(DSL,LPG)
198308-198409
main
04351-30064
i
LS12#,MS120..ATM..(DSL,LPG)
198409-198505
main
04351-30074
i
LS120..TDE
198308-198409
main
04351-30075
i
LS120..TDE
198409-198505
main
04351-30084
i
GS121,MS12#..ATM..(TBO,TWC)
198308-198408
main
04351-30085
i
GS121,MS120..ATM..(TBO,TWC)
198408-198506
main
04351-30090
i
MS125
198408-198409
main
04351-30091
i
MS125;GS121..SPC
198409-198608
main
04351-30092
i
MS125;GS121..SPC
198608-198610
main
04351-30093
i
MS125;GS121..SPC
198610-198708
main
04351-30100
i
LS12#,MS120..ATM..(DSL,LPG)
198505-198708
main
04351-30110
i
LS120..TDE
198505-198708
main
04351-30120
i
GS121,MS120..ATM..(TBO,TWC)
198506-198708
35000
TRANSMISSION ASSY, AUTOMATIC
main
35000-3A080
i
LS12#..4FC..DSL
198308-198708
main
35000-3A090
i
MS120..ATM..LPG
198308-198708
main
35000-3A110
i
LS120..TDE
198308-198408
main
35000-3A130
i
GS120..ATM
198308-198708
main
35000-3A160
i
GS121..ATM
198308-198509
main
35000-3A170
i
MS123
198308-198312
main
35000-3A171
i
MS123
198312-198408
main
35000-3A180
i
MS123
198308-198312
W/ESC
main
35000-3A181
i
MS123
198312-198408
W/ESC
main
35000-3A210
i
MS120..TBO
198308-198408
main
35000-3A211
i
MS120..TBO
198408-198509
main
35000-3A240
i
MS125
198408-198601
main
35000-3A250
i
MS125
198408-198601
W/ESC
main
35000-3A270
i
LS120..TDE
198408-198708
main
35000-3A280
i
GS121..SPC
198509-198708
main
35000-3A310
i
GS121..4FC..TWC
198509-198708
main
35000-3A900
i
MS125
198601-198708
2 parts on this diagram · 2 diagrams in section
TRANSAXLE OR TRANSMISSION ASSY & GASKET KIT (ATM) — Toyota Parts Diagram with OEM Numbers & Prices | EPC Data