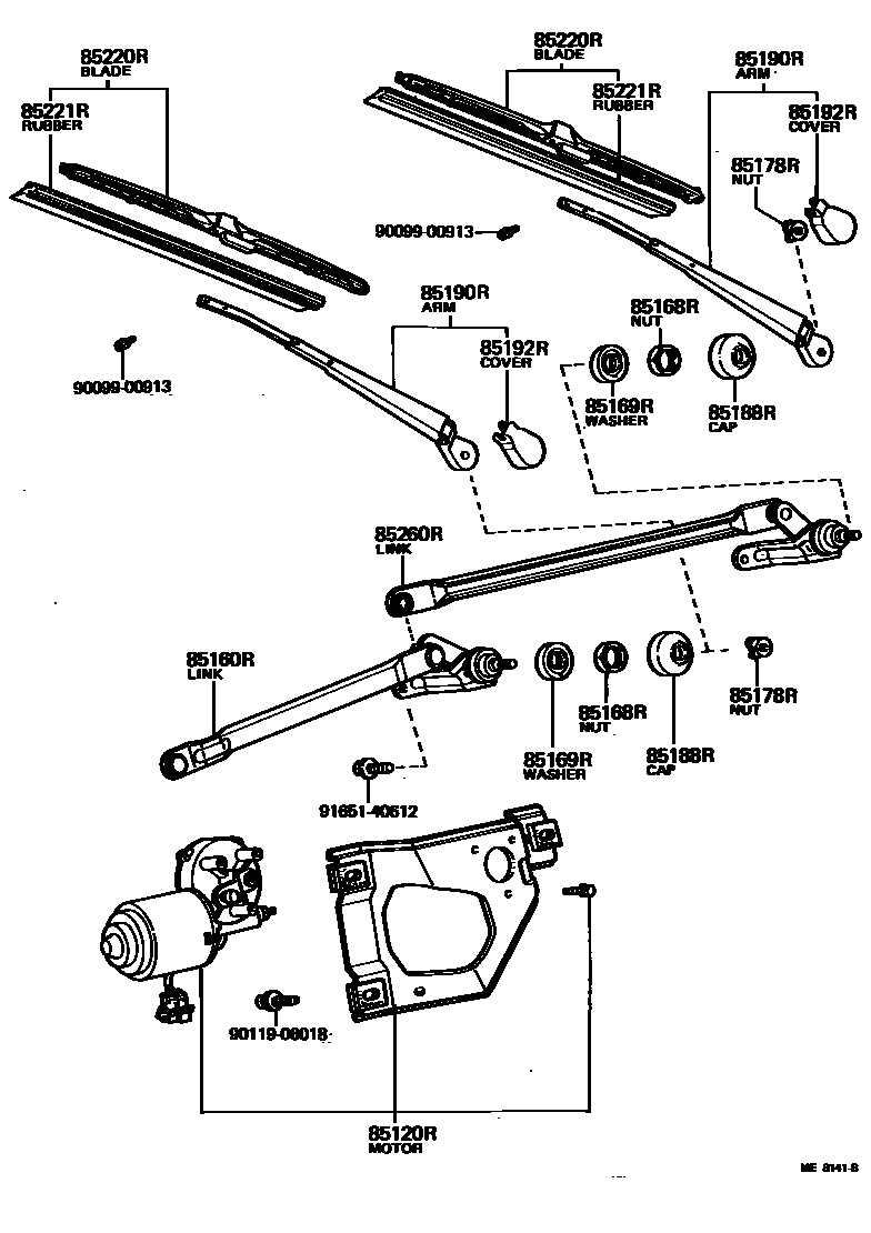
85120RMOTOR AND BRACKET ASSY, REAR WIPER
main85120-91701iLS11#,MS110,117..(V,WG)..(DLX,SDX)197909-198108 main85120-91702iGS11#,LS110,117,MS117..(V,WG)..(DLX,SDX)198108-198307 85160RLINK ASSY, REAR WIPER
main85160-91701iGS11#,LS110,117,MS110,117..(V,WG)..(DLX,SDX)197909-198307 85168RNUT, REAR WIPER LINK PIVOT, NO.1
main90099-05149iGS11#,LS110,117,MS110,117..(V,WG)..(DLX,SDX)197909-198307 85169RWASHER, REAR WIPER LINK PIVOT, NO.1
main85176-91701iGS11#,LS110,117,MS110,117..(V,WG)..(DLX,SDX)197909-198307 85178RNUT (FOR REAR WIPER ARM SETTING)
main90179-06158iGS11#,LS110,117,MS110,117..(V,WG)..(DLX,SDX)197909-198307 85188RCAP, REAR WIPER PIVOT, NO.1
main85178-91701iGS11#,LS110,117,MS110,117..(V,WG)..(DLX,SDX)197909-198307 85190RARM ASSY, REAR WIPER
main85190-91701iGS11#,LS110,117,MS110,117..(V,WG)..(DLX,SDX)197909-198307 85192RCOVER, REAR WIPER ARM
main85192-14020iGS11#,LS110,117,MS110,117..(V,WG)..(DLX,SDX)197909-198307 85220RBLADE ASSY, REAR WIPER
main85220-91701iLS11#,MS110,117..(V,WG)..(DLX,SDX)197909-198010 main85220-91702iGS11#,LS110,117,MS110,117..(V,WG)..(DLX,SDX)198010-198307 85221RBLADE, REAR WIPER
main85221-91602iGS11#,LS110,117,MS117..(V,WG)..(DLX,SDX)198108-198307 main85221-91701iLS11#,MS110,117..(V,WG)..(DLX,SDX)197909-198108 85260RLINK ASSY, REAR WIPER, NO.2
main85260-91701iGS11#,LS110,117,MS110,117..(V,WG)..(DLX,SDX)197909-198307