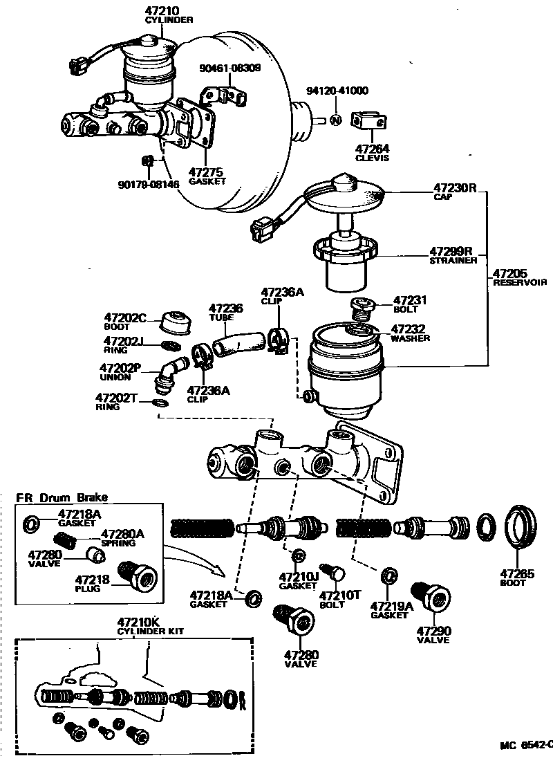
BRAKE MASTER CYLINDER

47202CBOOT, RESERVOIR, NO.1(FOR BRAKE MASTER CYLINDER SIDE)
47202JRING, SNAP(FOR BRAKE MASTER CYLINDER SIDE)
47202PUNION, RESERVOIR(FOR BRAKE MASTER CYLINDER SIDE)
47202TRING(FOR BRAKE MASTER CYLINDER RESERVOIR, NO.1)
47205RESERVOIR SET, BRAKE MASTER CYLINDER(FOR REAR SIDE)
47210CYLINDER ASSY, MASTER, W/O BOOSTER
main47201-30170iGS11#,LS117,MS117..CTE,DLX,SDX,SPE,STD;LS110,MS110,RS110..(BTP,CTE,DLX,SDX,SPE)..(CBR,DSL,EFI,LPG)197909-198307
ID=22.22
ID=22.22
ID=22.22
47210JGASKET(FOR MASTER CYLINDER)
47210KCYLINDER KIT, BRAKE MASTER
main04493-30090iGS11#,LS117,MS117..CTE,DLX,SDX,SPE,STD;LS110,MS110,RS110..(BTP,CTE,DLX,SDX,SPE)..(CBR,DSL,EFI,LPG)197909-198307
47210TBOLT(FOR BRAKE MASTER CYLINDER)
47218PLUG, MASTER CYLINDER FLUID OUTLET
47218AGASKET(FOR FLUID OUTLET PLUG)
47219AGASKET(FOR FLUID OUTLET PLUG REAR SIDE)
47230RCAP ASSY, RESERVOIR, NO.2(FOR REAR SIDE)
sub84460-12011
47231BOLT, BRAKE MASTER CYLINDER RESERVOIR SET
47232WASHER, BRAKE RESERVOIR SET BOLT
47236TUBE, RESERVOIR BRAKE
47236ACLIP(FOR RESERVOIR TUBE)
sub96134-51500
47264CLEVIS, MASTER CYLINDER PUSH ROD
47265BOOT, MASTER CYLINDER
47275GASKET, BRAKE MASTER CYLINDER
47280VALVE ASSY, BRAKE MASTER CYLINDER OUTLET CHECK
47280ASPRING, COMPRESSION
47290VALVE ASSY, MASTER CYLINDER OUTLET(FOR REAR SIDE)
47299RSTRAINER, MASTER CYLINDER RESERVOIR, REAR
9017908146
main90179-08146
9046108309
main90461-08309
9412041000
main94120-41000
27 parts on this diagram · 2 diagrams in section