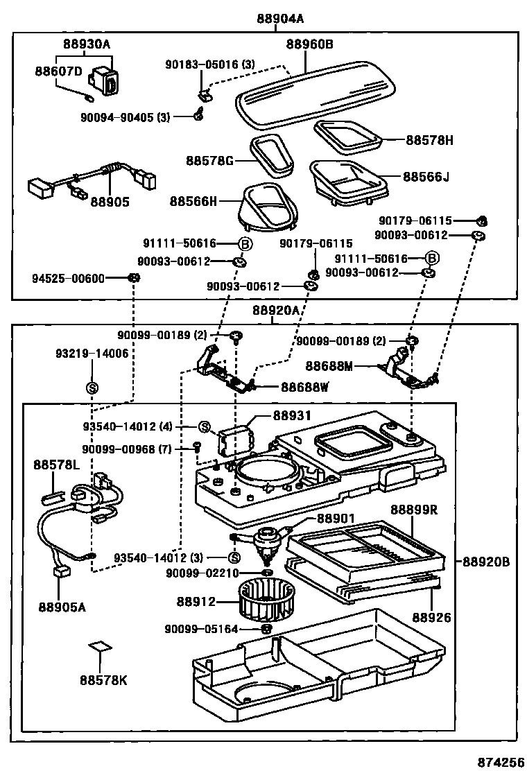
AIR PURIFIER OR ION GENERATOR

88566HDUCT, AIR, NO.1
88566JDUCT, AIR, NO.2
88578GPACKING, AIR PURIFIER, NO.1
88578HPACKING, AIR PURIFIER, NO.2
88578KPACKIN, COOLER NO.1
88578LPACKING, COOLER NO.2
88607DLAMP SUB-ASSY, AIR PURIFIER SWITCH
88688MBRACKET, AIR PURIFIER, NO.2
88688WBRACKET, AIR PURIFIER, NO.1
88899RFRAME, AIR PURIFIER
88901MOTOR SUB-ASSY, AIR PURIFIER
88904AACCESSORY SUB-ASSY, AIR PURIFIRE
IVORY,TRIM0#
88905WIRE SUB-ASSY, AIR PURIFIER, NO.1
88905AWIRE SUB-ASSY, AIR PURIFIER, NO.2
88912FAN, AIR PURIFIER
88920APURIFIER ASSY, AIR
88920BPURIFIER ASSY, AIR, NO.2
88926FILTER, AIR PURIFIER
88930ASWITCH ASSY, AIR PURIFIER
88931SENSOR, SMOKE
88960BRESISTOR ASSY, AIR PURIFIRE
IVORY,TRIM0#
9009300612
main90093-00612
9009490405
main90094-90405
9009900189
main90099-00189
9009900968
main90099-00968
9009902210
main90099-02210
9009905164
main90099-05164
9017906115
main90179-06115
9018305016
main90183-05016
9111150616
main91111-50616
9321914006
main93219-14006
9354014012
main93540-14012
9452500600
main94525-00600
33 parts on this diagram · 1 diagram in section