E
EPC Data

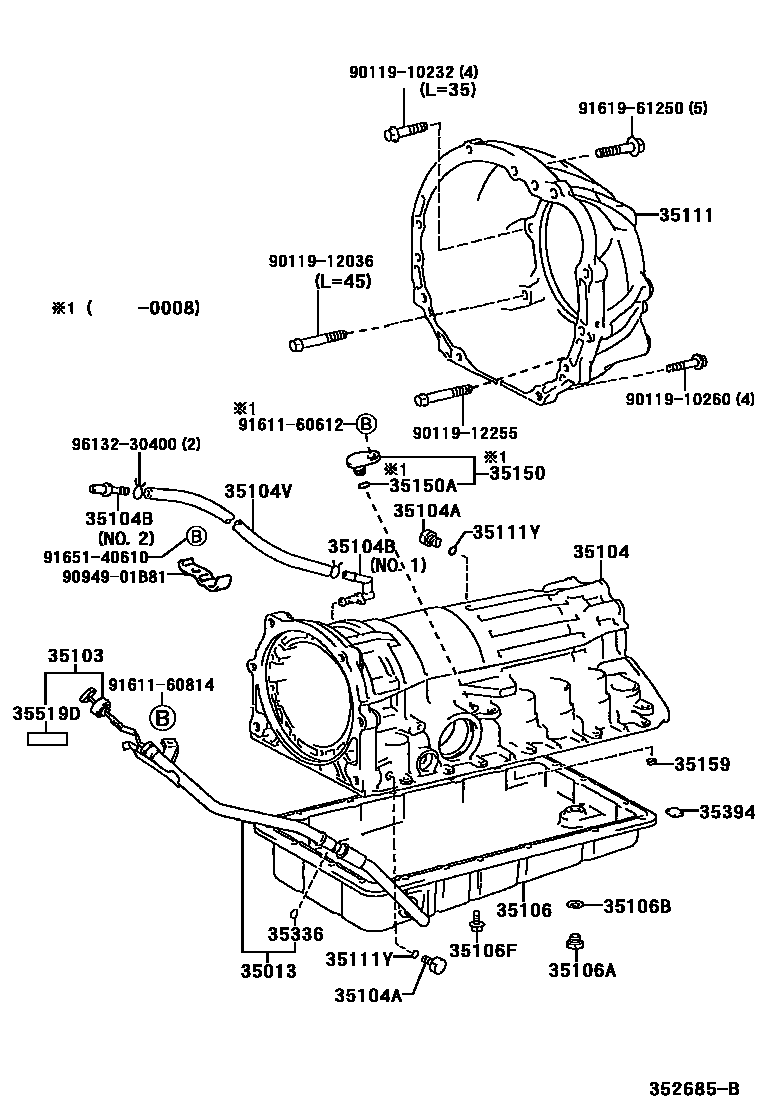
TRANSMISSION CASE & OIL PAN (ATM)

Parts diagram
35013TUBE SUB-ASSY, TRANSMISSION OIL FILLER
main35013-51020i200008
35103GAGE SUB-ASSY, TRANSMISSION OIL LEVEL
main35103-51010i200008
35104CASE SUB-ASSY, AUTOMATIC TRANSMISSION
main35104-22070i200008
35104APLUG, AUTOMATIC TRANSMISSION CASE
main90341-08001×2i200008
35104BPLUG, BREATHER, NO.1 (ATM)
main90930-03098i200008
main90930-03099i200008-200012
main90930-03168i200012
35104VHOSE (FOR BREATHER PLUG)
main90445-10020i200008
35106PAN SUB-ASSY, AUTOMATIC TRANSMISSION OIL
main35106-30130i200008
35106APLUG SUB-ASSY, DRAIN (ATM)
main90341-10018i200008
35106BGASKET, DRAIN PLUG (ATM)
main35178-50010i200008
35106FBOLT (FOR AUTOMATIC TRANSMISSION OIL PAN)
main90119-06513×19i200008
35111HOUSING, AUTOMATIC TRANSMISSION
main35111-30150i200008
35111YRING, O (FOR AUTOMATIC TRANSMISSION CASE)
main90301-06196×2i200008
35150PLUG ASSY, TRANSMISSION CASE
main35150-30010i200008
35150ARING, O (FOR AUTOMATIC TRANSMISSION CASE PLUG)
main90310-09012i200008
35159GASKET, BRAKE DRUM
main35159-30010i200008
35336RING, O (FOR TRANSMISSION OIL FILLER TUBE)
main90301-09173i200008
35394MAGNET, OIL CLEANER (FOR TRANSMISSION)
main35394-30011×3i200008
35519DLABEL, AUTOMATIC TRANSMISSION INFORMATION
main35519-30010i200008
9011910232
9011910260
9011912036
9011912255
9094901B81
9161160612
9161160814
9161961250
9165140610
9613230400

28 parts on this diagram · 1 diagram in section

TRANSMISSION CASE & OIL PAN (ATM) — Toyota Parts Diagram with OEM Numbers & Prices | EPC Data