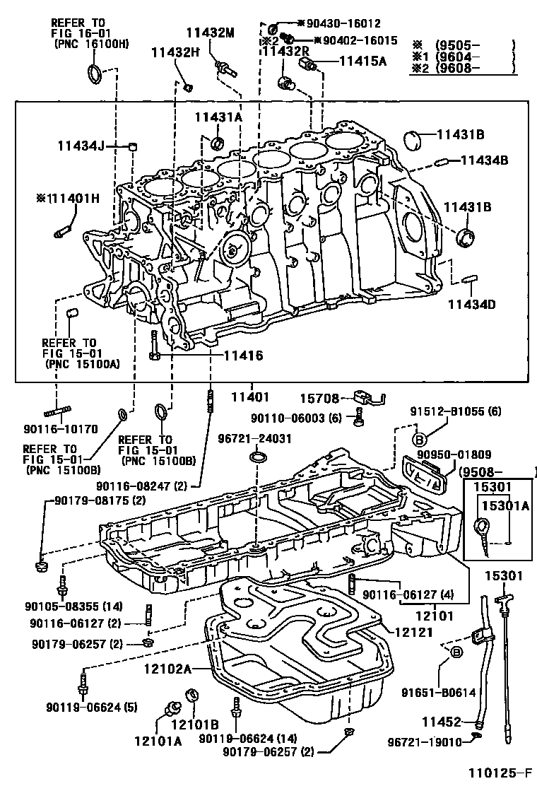
CYLINDER BLOCK

11401HUNION(FOR CYLINDER BLOCK LLC DRAIN)
11415COCK SUB-ASSY, WATER DRAIN(FOR CYLINDER BLOCK)
11415APLUG, WATER DRAIN COCK(FOR CYLINDER BLOCK)
11416BOLT(FOR CRANKSHAFT BEARING CAP SET)
11431APLUG, TIGHT, NO.1(FOR CYLINDER BLOCK)
11431BPLUG, TIGHT, NO.2(FOR CYLINDER BLOCK)
11432MUNION(FOR CYLINDER BLOCK)
11432RPLUG, W/HEAD STRAIGHT SCREW, NO.1(FOR CYLINDER BLOCK)
11434BPIN, STRAIGHT(FOR CLUTCH HOUSING SET)
11434DPIN, STRAIGHT(FOR ENGINE REAR OIL SEAL)
11434JPIN, RING (FOR CYLINDER HEAD SET)
1501
15301GAGE SUB-ASSY, OIL LEVEL
15301ARING, O(FOR OIL LEVEL GAGE)
15708NOZZLE SUB-ASSY, OIL, NO.1
1601
9010508355
main90105-08355
9011006003
main90110-06003
9011606127
main90116-06127
9011608247
main90116-08247
9011610170
main90116-10170
9011906624
main90119-06624
9017906257
main90179-06257
9017908175
main90179-08175
9040216015
main90402-16015
9043016012
main90430-16012
9095001809
main90950-01809
91512B1055
main91512-B1055
91651B0614
main91651-B0614
9672119010
main96721-19010
9672124031
main96721-24031
39 parts on this diagram · 3 diagrams in section