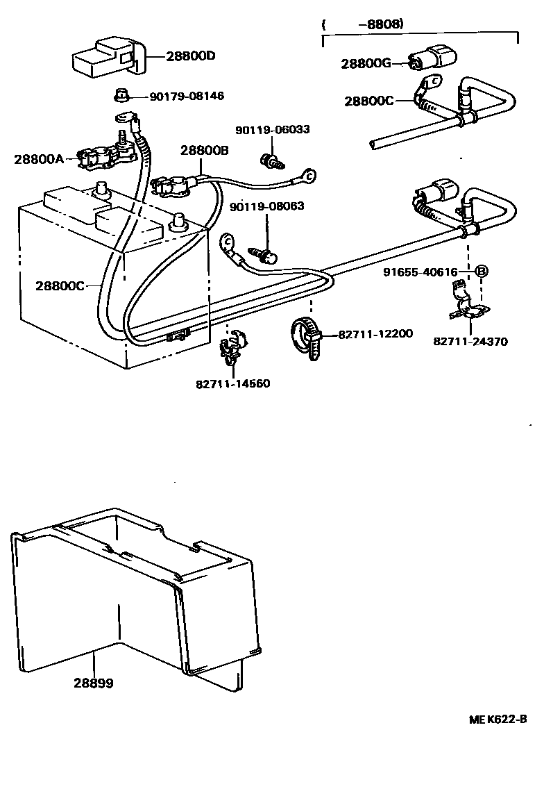
BATTERY & BATTERY CABLE

28800ATERMINAL, BATTERY POSITIVE
28800BCABLE, BATTERY TO GROUND
28800CCABLE, BATTERY TO STARTER(FOR BATTERY TO MAIN SWITCH)
28800DCOVER, CONNECTOR(FOR BATTERY TERMINAL)
28800GCAP, TERMINAL(FOR STARTER)
28899INSULATOR, BATTERY
8271112200WIRE, FUSE TO FUSE(FOR COMBUSTION HEATER)
main82711-12200
8271114560WIRE, FUSE TO FUSE(FOR COMBUSTION HEATER)
main82711-14560
8271124370WIRE, FUSE TO FUSE(FOR COMBUSTION HEATER)
main82711-24370
9011906033
main90119-06033
9011908063
main90119-08063
9017908146
main90179-08146
9165540616
main91655-40616
13 parts on this diagram · 2 diagrams in section