E
EPC Data

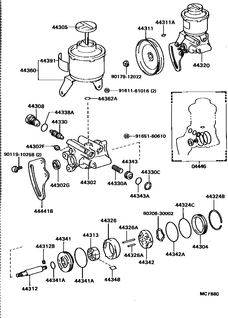
VANE PUMP & RESERVOIR (POWER STEERING)

Parts diagram
04446GASKET KIT, POWER STEERING PUMP
main04446-12020i198801-198901
main04446-30091i198801-199104
44302HOUSING SUB-ASSY, VANE PUMP, FRONT
main44302-14020i198801-199104
main44302-22031i198801-199104
main44302-22040i198801-199104
main44302-30040i198801-198901
44302FSEAT, UNION(FOR VANE PUMP HOUSING)
main90410-05035i198801-199104
main90410-06006i198801-198901
44302GSEAL, OIL, NO.2(FOR VANE PUMP HOUSING)
main90311-18007i198801-198901
main90311-18008i198801-199104
44304HOUSING SUB-ASSY, VANE PUMP, REAR
main44324-12031i198801-198901
main44324-14050i198801-199104
main44324-22030i198801-198808
main44324-22031i198808-199104
44305CAP SUB-ASSY, VANE PUMP OIL RESERVOIR
main44305-22030i198801-199012
main44305-30020i198801-199104
main44305-32030i199012-199104
44308UNION SUB-ASSY, PRESSURE PORT
main44308-14030i198801-198901
main44308-24010i198801-199104
main44308-35030i198801-199104
44311PULLEY, VANE PUMP
main44311-14060i198801-198901
main44311-22041i198801-199104
main44311-24030i198801-199104
main44311-30090i198801-199104
44311AKEY, VANE PUMP PULLEY
main90280-05008i198801-199104
44312SHAFT, VANE PUMP
main44312-12020i198801-199104
main44312-12030i198801-198901
44312BRING, SNAP, NO.1(FOR VANE PUMP SHAFT)
main90520-10003i198801-199104
44313ROTOR, VANE PUMP
main44313-22040i198801-199104
main44313-22050i198801-199104
main44313-22060i198801-199104
main44313-22070i198801-199104
main44313-22080i198801-199104
main44313-32010i198801-199104
main44313-32020i198801-199104
main44313-32030i198801-199104
main44313-32040i198801-199104
main44313-32050i198801-199104
44320PUMP ASSY, VANE
main44320-14171i198801-198901
main44320-22331i198801-199104
main44320-24031i198801-199104
main44320-24040i198801-199104
44324BRING, HOLE SNAP(FOR PUMP HOUSING REAR)
main90521-62002i198801-198901
44324CRING, O(FOR PUMP HOUSING REAR)
main90301-52001i198801-198901
44326RING, CAM(FOR VANE PUMP)
main44325-22020i198801-199104
main44325-22030i198801-199104
main44325-22040i198801-199104
main44325-22050i198801-199104
main44325-22060i198801-199104
main44325-22070i198801-199104
main44325-22080i198801-199104
main44325-22090i198801-199104
main44325-22100i198801-199104
main44325-22110i198801-199104
main44325-30100i198801-198901
main44325-30110i198801-198901
main44325-30120i198801-198901
main44325-30130i198801-198901
main44325-30140i198801-198901
44326APIN, STRAIGHT(FOR VANE PUMP CAM RING)
main90250-04047i198801-198901
main90250-04049i198801-198901
main90250-05008i198801-199104
main90250-05017i198801-199104
44330VALVE ASSY, FLOW CONTROL
main44330-30100i198801-198906
main44330-30110i198801-198906
main44330-30120i198801-198906
main44330-30130i198801-198906
main44330-30140i198801-198906
main44330-30150i198801-198906
main44330-32130i198906-199104
main44330-32140i198906-199104
main44330-32150i198906-199104
main44330-32160i198906-199104
main44330-32170i198906-199104
main44330-32180i198906-199104
44330ASPRING, COMPRESSION(FOR FLOW CONTROL VALVE)
main90501-12103i198801-199104
main90501-12447i198801-199104
44330CRING, SNAP(FOR FLOW CONTROL VALVE)
main96151-01700i198801-198901
main96151-02200i198801-199104
44338ARING, O(FOR PRESSURE PORT UNION)
main90301-19003i198801-198901
main90301-22001i198801-199104
main96711-19014i198801-199104
44341PLATE, VANE PUMP SIDE, FRONT
main44341-30030i198801-199104
main44341-32010i198801-198901
44341ARING, O(FOR VANE PUMP FRONT SIDE PLATE)
main90301-21001i198801-199104
main90301-25001i198801-198901
main90301-52001i198801-198901
main90301-56002i198801-199104
44342PLATE, VANE PUMP SIDE, REAR
main44342-30020i198801-199104
main44342-32010i198801-198901
44342ARING, O(FOR VANE PUMP SIDE PLATE REAR)
main90301-13004i198801-199104
main90301-30004i198801-199104
main90301-52001i198801-198901
44343SEAT, FLOW CONTROL SPRING
main44343-12010i198801-198901
main44343-12030i198801-199104
44343ARING, O(FOR FLOW CONTROL SPRING SEAT)
main96711-19019i198801-199104
44348PLATE, VANE PUMP
main44345-12010×10i198801-199104
main44345-12020×10i198801-199104
main44345-12030×10i198801-199104
main44345-12040×10i198801-199104
main44345-12050×10i198801-199104
44360RESERVOIR ASSY, VANE PUMP OIL
main44306-30181i198801-198901
main44360-14081i198801-199104
main44360-14090i198801-199104
44362ARING, O(FOR VANE PUMP OIL RESERVOIR)
main90301-12003i198801-198901
44391PLATE, POWER STEERING OIL RESERVOIR CAUTION
main44391-14010i198801-199104
44441BBRACKET, PUMP, FRONT
main44441-14050i198801-199104
main44441-30061i198801-198901
9011910258
9017912022
9020630002
9161161016
9165160610

37 parts on this diagram · 3 diagrams in section

VANE PUMP & RESERVOIR (POWER STEERING) — Toyota Parts Diagram with OEM Numbers & Prices | EPC Data