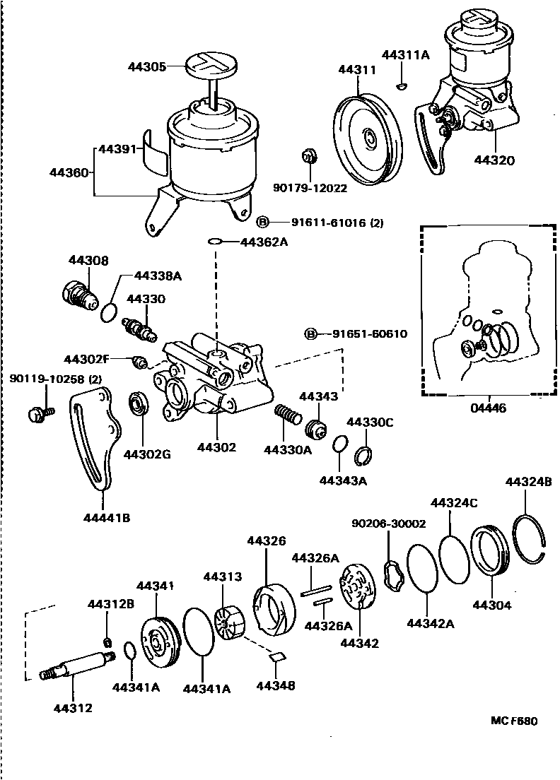
VANE PUMP & RESERVOIR (POWER STEERING)

04446GASKET KIT, POWER STEERING PUMP
sub04446-27010
44302HOUSING SUB-ASSY, VANE PUMP, FRONT
44302FSEAT, UNION(FOR VANE PUMP HOUSING)
44302GSEAL, OIL, NO.2(FOR VANE PUMP HOUSING)
44304HOUSING SUB-ASSY, VANE PUMP, REAR
44308UNION SUB-ASSY, PRESSURE PORT
44311PULLEY, VANE PUMP
44311AKEY, VANE PUMP PULLEY
44312SHAFT, VANE PUMP
44312BRING, SNAP, NO.1(FOR VANE PUMP SHAFT)
44313ROTOR, VANE PUMP
44320PUMP ASSY, VANE
44324BRING, HOLE SNAP(FOR PUMP HOUSING REAR)
44324CRING, O(FOR PUMP HOUSING REAR)
44326RING, CAM(FOR VANE PUMP)
44326APIN, STRAIGHT(FOR VANE PUMP CAM RING)
44330VALVE ASSY, FLOW CONTROL
sub44330-32670
sub44330-32680
sub44330-32690
sub44330-32700
sub44330-32710
sub44330-32720
44330ASPRING, COMPRESSION(FOR FLOW CONTROL VALVE)
44330CRING, SNAP(FOR FLOW CONTROL VALVE)
44341PLATE, VANE PUMP SIDE, FRONT
44342PLATE, VANE PUMP SIDE, REAR
44342ARING, O(FOR VANE PUMP SIDE PLATE REAR)
44343SEAT, FLOW CONTROL SPRING
44343ARING, O(FOR FLOW CONTROL SPRING SEAT)
44348PLATE, VANE PUMP
44360RESERVOIR ASSY, VANE PUMP OIL
44362ARING, O(FOR VANE PUMP OIL RESERVOIR)
sub90301-11016
44391PLATE, POWER STEERING OIL RESERVOIR CAUTION
9011910258
main90119-10258
9017912022
main90179-12022
9020630002
main90206-30002
9161161016
main91611-61016
9165160610
main91651-60610
37 parts on this diagram · 3 diagrams in section