E
EPC Data
Pricing
Sign In
Home
›
JP
›
321130
›
TRANSAXLE OR TRANSMISSION ASSY & GASKET KIT (ATM)
TRANSAXLE OR TRANSMISSION ASSY & GASKET KIT (ATM)
0001 1A42DL,A42DE
0002 1A340E
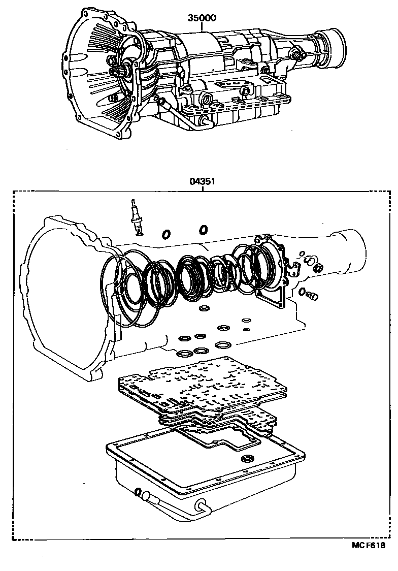
04351
GASKET KIT, AUTOMATIC TRANSMISSION OVERHAUL
main
04351-14030
i
GZ20..4FC..VX
198801-199104
main
04351-30093
i
GZ20,MZ2#..4FC..TWT
198801-198901
main
04351-30120
i
GZ20..4FC..TWC
198801-198901
35000
TRANSMISSION ASSY, AUTOMATIC
main
35000-1B150
i
GZ20..4FC..TWC
198901-199104
main
35000-1B160
i
GZ20..4FC..TWC
198901-199104
main
35000-1B170
i
GZ20..4FC..TWT
198901-199104
main
35000-1B180
i
GZ20..4FC..TWT
198901-199104
main
35000-1B190
i
GZ20..4FC..HTWC
198901-199104
main
35000-24151
i
GZ20..4FC..TWC
198801-198901
main
35000-24173
i
MZ20..4FC..GT
198801-198808
main
35000-24174
i
MZ20..4FC..GT
198808-199104
main
35000-24183
i
MZ2#..4FC..GTL; MZ20..4FC..GT
198801-198808
main
35000-24184
i
MZ2#..4FC..GTL; MZ20..4FC..GT
198808-199104
main
35000-24190
i
GZ20..4FC..EFI
198801-198901
main
35000-24200
i
GZ20..4FC..TWC
198801-198901
main
35000-24210
i
GZ20..4FC..TWT
198801-198808
main
35000-24211
i
GZ20..4FC..TWT
198808-198901
main
35000-24220
i
GZ20..4FC..TWT
198801-198808
main
35000-24221
i
GZ20..4FC..TWT
198808-198901
main
35000-24230
i
GZ20..4FC..HTWC
198901-199104
2 parts on this diagram · 2 diagrams in section
TRANSAXLE OR TRANSMISSION ASSY & GASKET KIT (ATM) — Toyota Parts Diagram with OEM Numbers & Prices | EPC Data