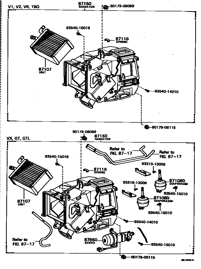
HEATING & AIR CONDITIONING - HEATER UNIT & BLOWER

87107UNIT SUB-ASSY, HEATER RADIATOR
87108DDIAPHRAGM SUB-ASSY, HEATER RADIATOR DAMPER
87116SPRING, HEATER CASE FASTENING
87150RADIATOR ASSY, HEATER
8717HEATING & AIR CONDITIONING - VACUUM PIPING
87660SERVO ASSY, AIR CONDITIONER
9017906069
main90179-06069
9017906115
main90179-06115
9331913006
main93319-13006
9354014010
main93540-14010
9354015010
main93540-15010
9354015016
main93540-15016
12 parts on this diagram · 2 diagrams in section