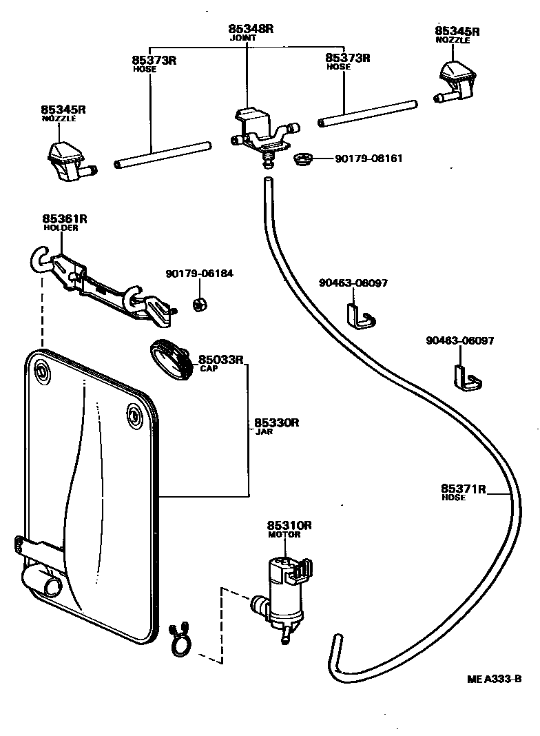
REAR WASHER

85033RCAP ASSY, REAR WASHER
85310RMOTOR ASSY, REAR WASHER
85330RJAR ASSY, REAR WASHER
85345RNOZZLE, REAR WASHER
RH
LH
85348RJOINT, REAR WASHER HOSE, NO.1
85361RHOLDER, REAR WASHER
85371RHOSE, REAR WASHER (FROM MOTOR TO JOINT)
85373RHOSE, REAR WASHER (FROM JOINT TO NOZZLE)
9017906184
main90179-06184
9017908161
main90179-08161
9046306097
main90463-06097
11 parts on this diagram · 1 diagram in section