E
EPC Data

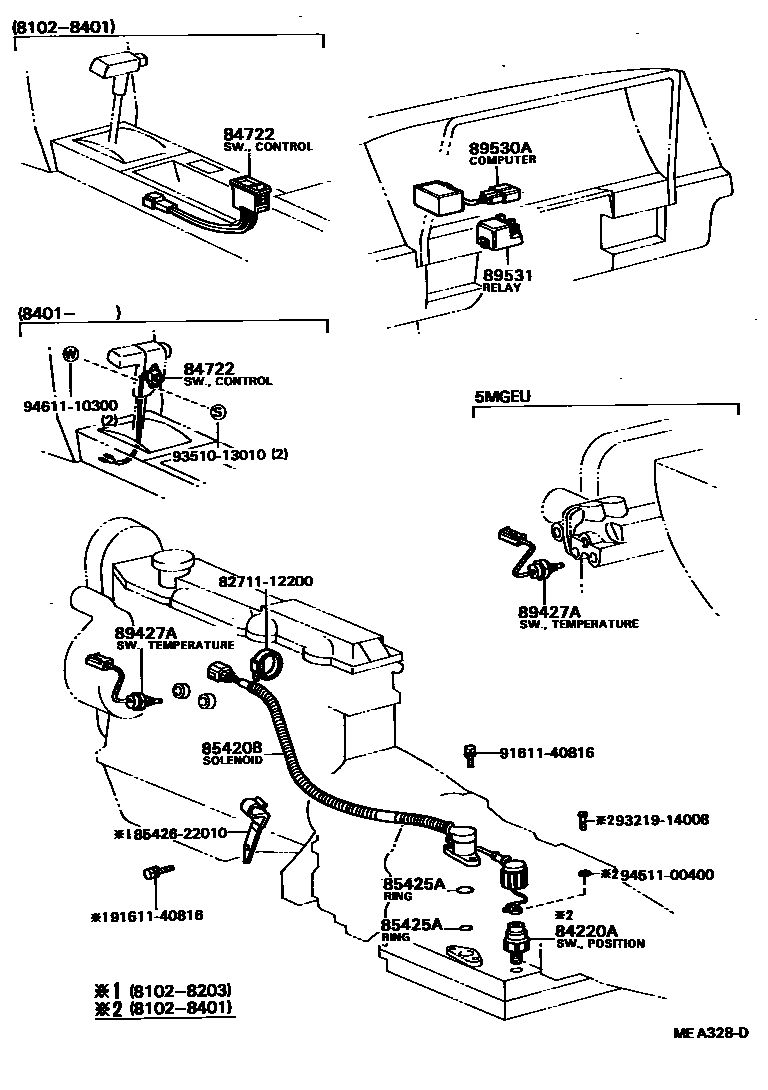
OVERDRIVE & ELECTRONIC CONTROLLED TRANSMISSION

Parts diagram
84220ASWITCH ASSY, TRANSMISSION POSITION INDICATOR
main84220-30050i198102-198203
84722SWITCH, TRANSMISSION CONTROL
main84722-14070-02i198401-198512
DEEP MAROON,RED/MAROON,TRIM3#
main84722-14070-04i198401-198512
BLUE,BLUE,TRIM8#
main84722-14070-05i198401-198512
BEIGE,BEIGE,TRIM4#
main84722-24010i198203-198401
main84722-24020i198107-198401
85420BSOLENOID ASSY, TRANSMISSION
main85420-22040i198203-198401
main85420-22060i198401-198512
85425ARING, O (FOR OVERDRIVE SOLENOID)
main90301-11001i198102-198203
ID=11
main90301-23001i198102-198203
ID=23
89427ASWITCH, TEMPERATURE
main89428-30050i198102-198203
89530ACOMPUTER ASSY, TRANSMISSION CONTROL
main89530-14010i198302-198401
main89530-24010i198107-198302
89531RELAY, TRANSMISSION CONTROL
main89531-14050i198401-198512
main89531-22030i198102-198203
8271112200WIRE, FUSE TO FUSE(FOR COMBUSTION HEATER)
8542622010CLAMP, OVER DRIVE SOLENOID
9161140816
9321914008
9351013010
9451100400
9461110300

14 parts on this diagram · 1 diagram in section

OVERDRIVE & ELECTRONIC CONTROLLED TRANSMISSION — Toyota Parts Diagram with OEM Numbers & Prices | EPC Data