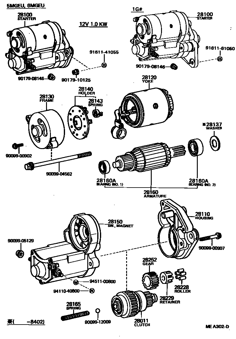
STARTER

28011CLUTCH SUB-ASSY, STARTER
12V 0.8KW
12V 1.0KW,1.4KW
28100STARTER ASSY
28110HOUSING ASSY, STARTER DRIVE
12V 1.0KW
12V 0.8KW
12V 1.0KW
12V 1.4KW
12V 1.4KW
28120YOKE ASSY, STARTER
12V 0.8KW
12V 1.4KW
12V 1.0KW
12V 1.0KW
12V 1.4KW
28130FRAME ASSY, STARTER COMMUTATOR END
12V 0.8KW
12V 1.0KW
12V 1.0KW
12V 1.4KW
28137WASHER, FELT, STARTER
12V 1.4KW
12V 1.0KW
28140HOLDER ASSY, STARTER BRUSH
12V 0.8KW
12V 1.4KW
12V 1.0KW
12V 1.4KW
28143SPRING, STARTER BRUSH
12V 1.0KW,1.4KW
28150SWITCH ASSY, MAGNET STARTER
12V 0.8KW
12V 1.0KW
12V 1.0KW
12V 0.8KW
12V 1.0KW
12V 1.4KW
12V 1.4KW
28160ARMATURE ASSY, STARTER
12V 0.8KW
12V 1.4KW
12V 1.4KW
12V 1.0KW
28160ABEARING, STARTER ARMATURE
12V 1.0KW,NO.1
12V 1.4KW,NO.2
12V 1.0KW,NO.2
12V 1.4KW,NO.2
12V 1.4KW,NO.1
28165SPRING, STARTER MAGNET SWITCH RETURN
12V 1.0KW,1.4KW
28228ROLLER, STARTER IDLE GEAR CLUTCH
12V 1.0KW,1.4KW
28229RETAINER, STARTER IDLE GEAR
12V 1.0KW,1.4KW
28252GEAR, STARTER IDLE
12V 1.0KW,1.4KW
9009900902
main90099-00902
9009900907
main90099-00907
9009904562
main90099-04562
9009905129
main90099-05129
9009912009
main90099-12009
9017908146
main90179-08146
9017910125
main90179-10125
9161141055
main91611-41055
9161161050
main91611-61050
9411040800
main94110-40800
9451100800
main94511-00800
26 parts on this diagram · 4 diagrams in section