E
EPC Data

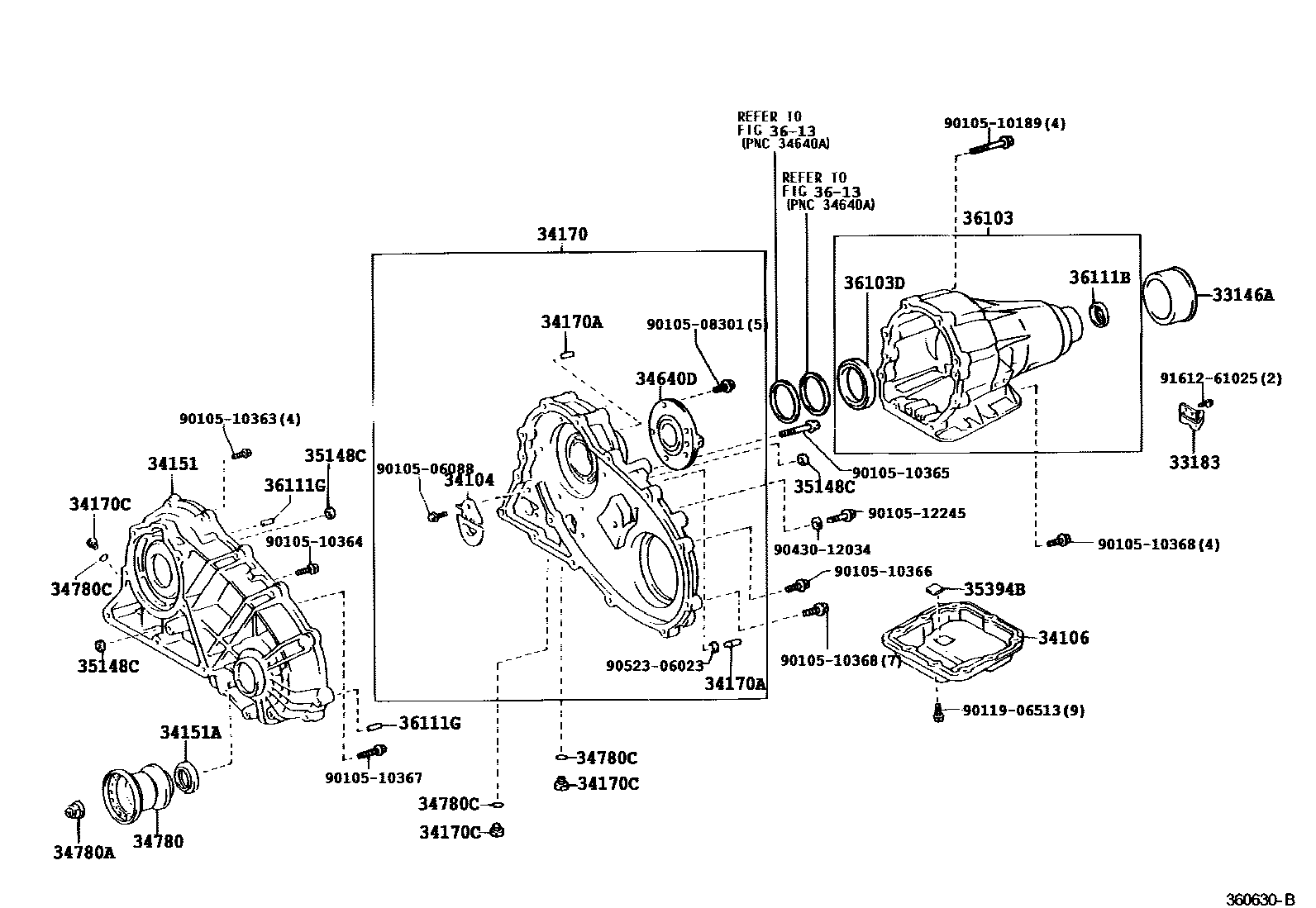
TRANSFER CASE & EXTENSION HOUSING

Parts diagram
33146ADEFLECTOR, TRANSFER EXTENSION HOUSING DUST
main33146-30020i200106-200404
33183DAMPER, TRANSFER DYNAMIC
main33183-22010i200106-200404
34104VALVE SUB-ASSY, TRANSFER BAFFLE
main34104-30010i200106-200404
34106PAN SUB-ASSY, TRANSFER OIL
main34161-30011i200106-200404
34151CASE, TRANSFER CHAIN, FRONT
main34151-30010i200106-200308
main34151-30011i200308-200404
34151ASEAL, OIL (FOR TRANSFER CHAIN CASE)
main90311-42029i200106-200404
34170CASE ASSY, TRANSFER CHAIN, REAR
main34170-30010i200106-200404
34170APIN, STRAIGHT (FOR TRANSFER CHAIN CASE)
main90249-10191i200106-200404
main90250-10007i200106-200404
34170CPLUG (FOR TRANSFER CHAIN CASE)
main90341-08001×3i200106-200404
34640DSUPPORT ASSY, TRANSFER CENTER
main34640-30010i200106-200404
34780YOKE ASSY, FLANGE
main34780-30040i200106-200404
34780ANUT (FOR FLANGE YOKE)
main90179-22018i200106-200404
34780CRING, O (FOR FLANGE YOKE)
main90301-06196×3i200106-200404
35148CGASKET, GOVERNOR APPLY (FOR ATM TRANSFER CHAIN CASE)
main35148-12010×4i200106-200404
35394BMAGNET, OIL CLEANER (FOR TRANSFER)
main35394-30011i200106-200404
36103CASE SUB-ASSY, TRANSFER
main36101-22020i200106-200404
36103DBEARING (FOR TRANSFER CASE)
main90363-60007i200106-200404
36111BSEAL, OIL (FOR TRANSFER CASE)
main90311-40001i200106-200404
36111GPIN, STRAIGHT (FOR TRANSFER CASE)
main90250-10007i200106-200404
main90250-13003i200106-200404
3613TRANSFER DIRECT CLUTCH, LOW BRAKE & SUPPORT
9010506088
9010508301
9010510189
9010510363
9010510364
9010510365
9010510366
9010510367
9010510368
9010512245
9011906513
9043012034
9052306023
9161261025

34 parts on this diagram · 1 diagram in section

TRANSFER CASE & EXTENSION HOUSING — Toyota Parts Diagram with OEM Numbers & Prices | EPC Data