E
EPC Data

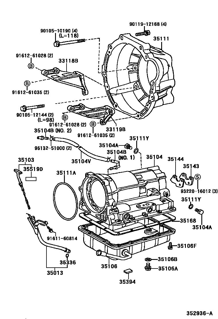
TRANSMISSION CASE & OIL PAN (ATM)

Parts diagram
33118BPLATE, STIFFENER, RH(ATM)
main33118-22051i200106-200404
33119BPLATE, STIFFENER, LH(ATM)
main33119-22042i200106-200404
35013TUBE SUB-ASSY, TRANSMISSION OIL FILLER
main35013-22540i200106-200404
main35013-30530i200106-200404
main35013-30560i200106-200404
main35013-30600i200106-200404
35103GAGE SUB-ASSY, TRANSMISSION OIL LEVEL
main35103-22450i200106-200404
main35103-22460i200106-200404
main35103-22470i200106-200404
main35103-30730i200106-200404
35104CASE SUB-ASSY, AUTOMATIC TRANSMISSION
main35104-22060i200106-200404
main35104-22070i200106-200404
main35104-30190i200106-200404
main35104-30200i200106-200404
35104APLUG, AUTOMATIC TRANSMISSION CASE
main90341-08001×3i200106-200404
35104BPLUG, BREATHER, NO.1 (ATM)
main90930-03098i200106-200404
main90930-03168i200106-200404
35104VHOSE (FOR BREATHER PLUG)
main90445-10020i200106-200203
main90445-11118i200106-200404
main90445-11145i200106-200404
main90445-11154i200203-200404
35106PAN SUB-ASSY, AUTOMATIC TRANSMISSION OIL
main35106-30161i200106-200404
main35106-30220i200106-200404
main35106-53030i200106-200404
35106APLUG SUB-ASSY, DRAIN (ATM)
main90341-10011i200304-200404
main90341-10018i200106-200304
35106BGASKET, DRAIN PLUG (ATM)
main35178-30010i200304-200404
main35178-50010i200106-200304
35106FBOLT (FOR AUTOMATIC TRANSMISSION OIL PAN)
main90119-06117×14i200106-200404
main90119-06513×18i200106-200404
main90119-06866i200106-200404
35111HOUSING, AUTOMATIC TRANSMISSION
main35111-22100i200106-200404
main35111-30150i200106-200404
main35111-53010i200106-200404
35111ARING, O (FOR AUTOMATIC TRANSMISSION HOUSING)
main90301-99054i200106-200404
35111YRING, O (FOR AUTOMATIC TRANSMISSION CASE)
main90301-06196×2i200106-200404
35143COVER, TRANSMISSION CASE, REAR
main35143-22010i200106-200404
35144GASKET, TRANSMISSION CASE REAR COVER
main35144-28010i200106-200404
35168GASKET, AUTOMATIC TRANSMISSION OIL PAN
main35168-22011i200106-200404
35336RING, O (FOR TRANSMISSION OIL FILLER TUBE)
main90301-09173i200106-200404
35394MAGNET, OIL CLEANER (FOR TRANSMISSION)
main35394-30011×2i200106-200404
35519DLABEL, AUTOMATIC TRANSMISSION INFORMATION
main35519-20030i200106-200404
9010510190
9010512144
9011912168
9161160814
9161261028
9161261035
9322016012
9613251000

29 parts on this diagram · 4 diagrams in section

TRANSMISSION CASE & OIL PAN (ATM) — Toyota Parts Diagram with OEM Numbers & Prices | EPC Data