E
EPC Data

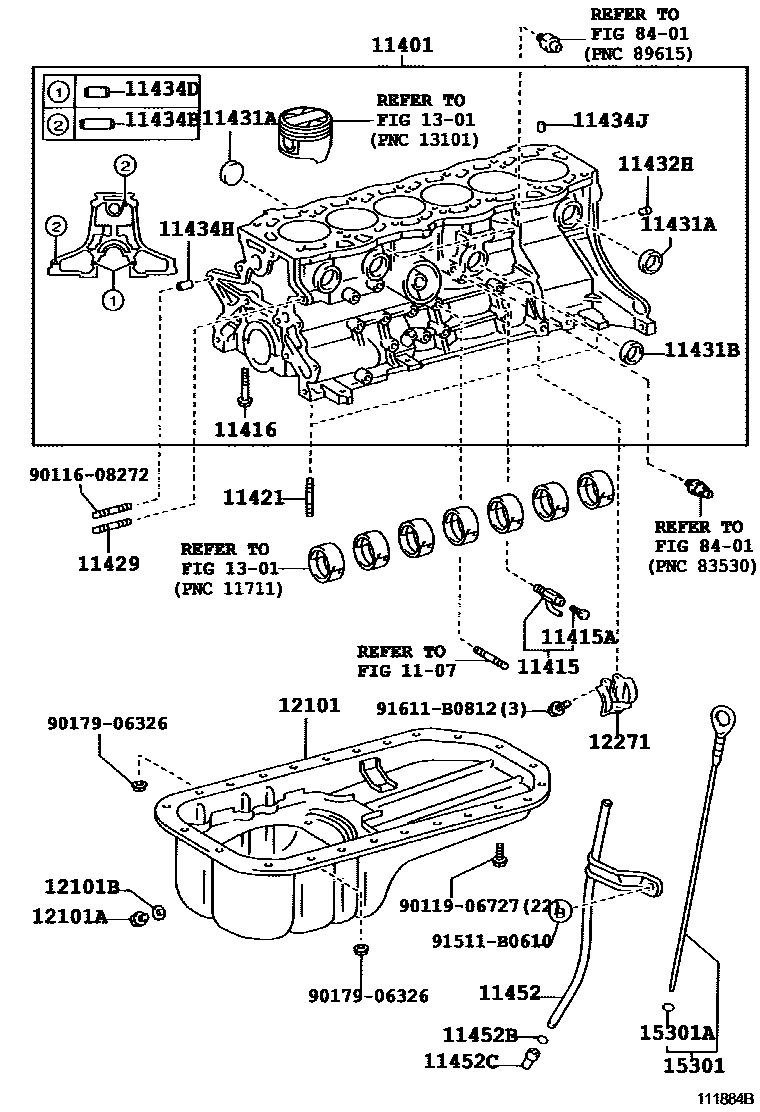
CYLINDER BLOCK

Parts diagram
11401BLOCK SUB-ASSY, CYLINDER
main11401-49658i200106-200404
main11401-49725i200106-200404
main11401-80017i200106-200404
main11401-80018i200106-200404
11415COCK SUB-ASSY, WATER DRAIN(FOR CYLINDER BLOCK)
main90910-09075i200106-200404
11415APLUG, WATER DRAIN COCK(FOR CYLINDER BLOCK)
main90910-09087i200106-200404
main90910-09102i200106-200404
11416BOLT(FOR CRANKSHAFT BEARING CAP SET)
main90105-10028×14i200106-200404
main90910-02104×14i200106-200404
11421BOLT, STUD(FOR OIL PAN)
main90116-06014×2i200106-200404
11429BOLT, STUD(FOR ALTERNATOR BRACKET)
main90116-10051i200106-200404
11431APLUG, TIGHT, NO.1(FOR CYLINDER BLOCK)
main96411-42500×2i200106-200404
main96411-43500×10i200106-200404
11431BPLUG, TIGHT, NO.2(FOR CYLINDER BLOCK)
main96411-43500×11i200106-200404
main96411-44000i200106-200404
11432HPLUG, W/HEAD TAPER SCREW, NO.5
main90344-51005i200106-200404
main90344-53015×2i200106-200404
11434BPIN, STRAIGHT(FOR CLUTCH HOUSING SET)
main90250-10113×2i200106-200404
main90250-10192×2i200106-200404
11434DPIN, STRAIGHT(FOR ENGINE REAR OIL SEAL)
main90250-06003×2i200106-200404
main90250-06015×2i200106-200404
11434HPIN, RING (FOR TIMING BELT COVER SET)
main90253-11021×2i200106-200404
11434JPIN, RING (FOR CYLINDER HEAD SET)
main90253-13017×2i200106-200404
main90253-14003×2i200106-200404
11452GUIDE, OIL LEVEL GAGE
main11452-46010i200106-200404
main11452-70060i200106-200404
main11452-70080i200106-200404
main11452-88402i200106-200404
11452BRING, O(FOR OIL LEVEL GAGE GUIDE)
main96721-19010i200106-200404
11452CUNION(FOR OIL LEVEL GAGE GUIDE)
main11459-70010i200106-200404
12101PAN SUB-ASSY, OIL
main12101-70080i200106-200404
main12101-70090i200106-200404
main12111-46062i200106-200404
main12111-46112i200106-200404
12101APLUG(FOR OIL PAN DRAIN)
main90341-12012i200106-200404
12101BGASKET(FOR OIL PAN DRAIN PLUG)
main90430-12031i200106-200404
12271SCREEN, OIL SEPARATOR
main12271-70010i200106-200404
1301CRANKSHAFT & PISTON
15301GAGE SUB-ASSY, OIL LEVEL
main15301-46023i200106-200404
main15301-70100i200106-200404
main15301-70120i200106-200404
main15301-88404i200106-200404
15301ARING, O(FOR OIL LEVEL GAGE)
main96741-19005i200106-200404
8401SWITCH & RELAY & COMPUTER
9011608272
9011906727
9017906326
91511B0610
91611B0812

30 parts on this diagram · 4 diagrams in section

CYLINDER BLOCK — Toyota Parts Diagram with OEM Numbers & Prices | EPC Data