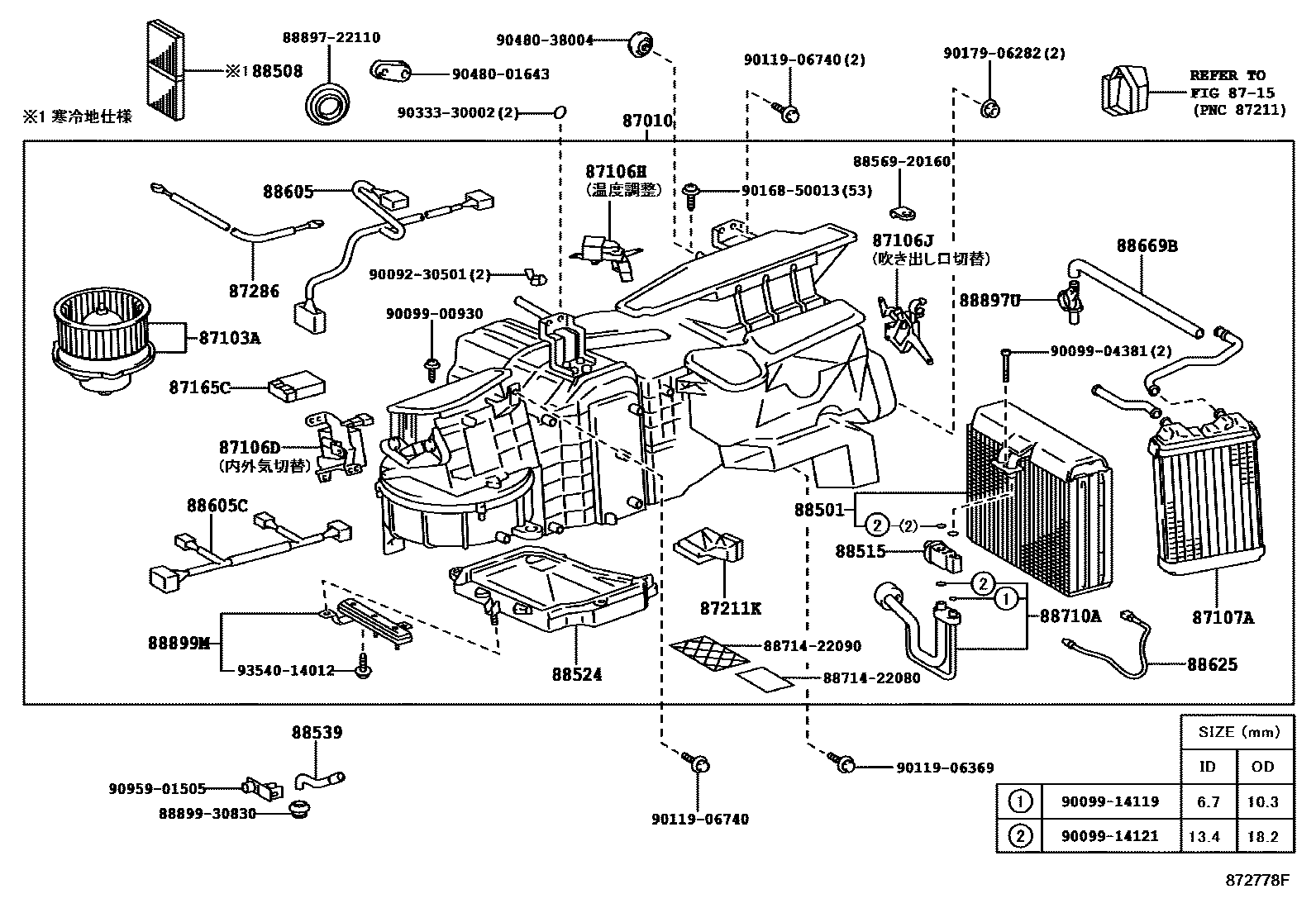
HEATING & AIR CONDITIONING - COOLER UNIT

87010UNIT ASSY, AIR CONDITIONER
87103AMOTOR SUB-ASSY, COOLING UNIT, W/FAN
87106DSERVO SUB-ASSY, DAMPER, NO.1
87106HSERVO SUB-ASSY, DAMPER(FOR AIRMIX)
87106JSERVO SUB-ASSY, DAMPER(FOR MODE)
87107AUNIT SUB-ASSY, HEATER RADIATOR
8715HEATING & AIR CONDITIONING - CONTROL & AIR DUCT
87165CCONTROL, BLOWER MOTOR
87211KDUCT, AIR
87286CABLE, CONTROL
88501EVAPORATOR SUB-ASSY, COOLER, NO.1
88508FILTER SUB-ASSY, CLEAN AIR
88515VALVE, COOLER EXPANSION
88524PANEL, COOLING BOX, BOTTOM
88539HOSE, COOLER UNIT DRAIN, NO.1
88605HARNESS SUB-ASSY, COOLER WIRING, NO.1
88605CHARNESS SUB-ASSY, COOLER WIRING, NO.2
88625THERMISTOR, COOLER, NO.1
88669BHOSE, COOLER AIR
88710ATUBE ASSY, AIR CONDITIONER
88897UPIPE, ASPIRATOR
88899MPLATE, COVER(FOR AIR FILTER)
8856920160CLAMP (FOR COOLER RELAY)
main88569-20160
8871422080HOSE, COOLER REFRIGERANT LIQUID, NO.1
main88714-22080
8871422090HOSE, COOLER REFRIGERANT LIQUID, NO.1
main88714-22090
8889722110VALVE, COOLER MAGNET
main88897-22110
8889930830COVER, EVAPORATOR
main88899-30830
9009230501
main90092-30501
9009900930
main90099-00930
9009904381
main90099-04381
9009914119
main90099-14119
9009914121
main90099-14121
9011906369
main90119-06369
9011906740
main90119-06740
9016850013
main90168-50013
9017906282
main90179-06282
9033330002
main90333-30002
9048001643
main90480-01643
9048038004
main90480-38004
9095901505
main90959-01505
9354014012
main93540-14012
41 parts on this diagram · 1 diagram in section