E
EPC Data

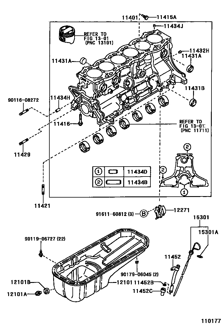
CYLINDER BLOCK

Parts diagram
11401BLOCK SUB-ASSY, CYLINDER
main11401-49647i199609-200006
main11401-49648i200006-200103
main11401-49657i199609-200103
main11401-49658i200103
main11401-49667i199609-200103
main11401-49668i200103
main11401-49687i199609-200103
main11401-49688i200103
main11401-49725i200103
main11401-59497i199609-199908
main11401-79415i199609-199805
main11401-79595i199704
main11401-80017i199808
main11401-80018i199808
main11401-80020i199805-199808
11415COCK SUB-ASSY, WATER DRAIN(FOR CYLINDER BLOCK)
main90345-53030i199609-199803
main90910-09075i199808
main90910-09107i199805
main90910-09110i199803-199908
11415APLUG, WATER DRAIN COCK(FOR CYLINDER BLOCK)
main90345-52001i199704-199805
main90910-09087i199803-199908
main90910-09102i199609-199711
main96431-23814i199609-199808
11416BOLT(FOR CRANKSHAFT BEARING CAP SET)
main90105-10028i199609
main90910-02061i199609-199908
main90910-02104i199609
11421BOLT, STUD(FOR OIL PAN)
main90116-06014i199609
main90116-06022i199704-199709
main92122-60610i199709
11429BOLT, STUD(FOR ALTERNATOR BRACKET)
main90116-10051i199609
11431APLUG, TIGHT, NO.1(FOR CYLINDER BLOCK)
main96411-42500i199609-199908
main96411-43500i199609
11431BPLUG, TIGHT, NO.2(FOR CYLINDER BLOCK)
main96411-43500i199609-199908
main96411-44000i199609
11432HPLUG, W/HEAD TAPER SCREW, NO.5
main90344-51005i199609
main90344-53006i199704
main90344-53015i199609
11434BPIN, STRAIGHT(FOR CLUTCH HOUSING SET)
main90250-10113i199609
main90250-10192i199609
11434DPIN, STRAIGHT(FOR ENGINE REAR OIL SEAL)
main90250-06003i199609
main90250-06015i199609
main90253-11021i199609-199908
11434HPIN, RING (FOR TIMING BELT COVER SET)
main90253-11021i199609
11434JPIN, RING (FOR CYLINDER HEAD SET)
main90253-13017i199609
main90253-14003i199609
11452GUIDE, OIL LEVEL GAGE
main11452-46010i199609
main11452-46070i199609
main11452-54120i199609-199908
main11452-70050i199609-199808
main11452-70060i199808
main11452-70070i199808
main11452-74080i199704
main11452-88402i199609
11452BRING, O(FOR OIL LEVEL GAGE GUIDE)
main90301-09018i199705-199908
main96711-24010i199609-199705
main96721-19010i199609
11452CUNION(FOR OIL LEVEL GAGE GUIDE)
main11459-70010i199808
main90405-10016i199609-199808
main90405-10034i199704
12101PAN SUB-ASSY, OIL
main12101-46030i199609-199710
main12101-46031i199710-199906
main12101-46032i199906
main12101-54240i199609-199808
main12101-54241i199808-199908
main12101-70070i199609
main12101-70080i199808
main12101-74140i199704
main12111-46060i199609-199703
main12111-46061i199703-199906
main12111-46062i199906
main12111-46110i199609-199703
main12111-46111i199703-199906
main12111-46112i199906
12101APLUG(FOR OIL PAN DRAIN)
main90341-12012i199609-199908
main90341-12026i199609
12101BGASKET(FOR OIL PAN DRAIN PLUG)
main90430-12031i199609-199908
12271SCREEN, OIL SEPARATOR
main12271-70010i199609
1301
15301GAGE SUB-ASSY, OIL LEVEL
main15301-46023i199609
main15301-54070i199609-199908
main15301-70080i199609-199808
main15301-70100i199808
main15301-70110i199808
main15301-74130i199704
main15301-88404i199609
15301ARING, O(FOR OIL LEVEL GAGE)
main96741-19005i199609
9011608272
9011906727
9017906045
9161160812

27 parts on this diagram · 8 diagrams in section

CYLINDER BLOCK — Toyota Parts Diagram with OEM Numbers & Prices | EPC Data