E
EPC Data
Pricing
Sign In
Home
›
JP
›
312140
›
VENTILATION HOSE
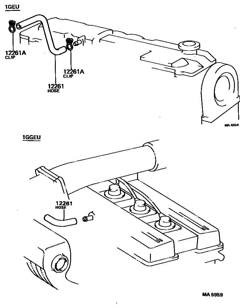
VENTILATION HOSE
0001 1 MA4954,MA5959
0002 1 MA3067,MA5885
0003 1
0004 1 MA5028,MA3488A
0005 1 MA4352,MA5260
0006 1
12261
HOSE, VENTILATION
main
12261-41080
i
MTEU..MX61
198110-198308
main
12261-41090
i
MTEU..MX61
198308-198407
main
12261-54010
i
L..LX60
198009-198407
main
12261-54020
i
2LTE..LX65
198208-198407
main
12261-63010
i
1SU..SX60
198208-198407
main
12261-70010
i
1GEU..GX6#
198009-198407
main
12261-72010
i
2YPU..SX60
198302-198407
*30
main
12261-88300
i
1GGEU..GX61
198208-198407
12261A
CLIP OR CLAMP(FOR VENTILATION HOSE)
main
90467-14082
×2
i
1GEU..GX6#; 1SU..SX60
198009-198407
main
90467-15120
×2
i
L,2LTE..LX6#
198009-198407
main
90467-20002
×2
i
MTEU..MX61
198110-198407
2 parts on this diagram · 6 diagrams in section
VENTILATION HOSE — Toyota Parts Diagram with OEM Numbers & Prices | EPC Data