E
EPC Data

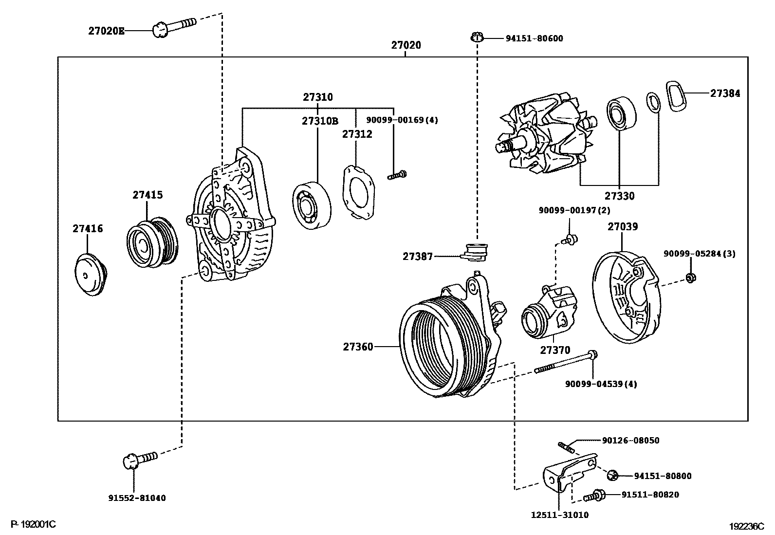
ALTERNATOR

Parts diagram
27020ALTERNATOR ASSY
main27060-31030i200411-200705
main27060-31031i200706-200810
main27060-31032i200811-200905
main27060-31033i200906
main27060-31040i200411-200705
main27060-31041i200706-200810
main27060-31042i200811
27020EBOLT(FOR ALTERNATOR)
main91552-81070i200411-200610
27039COVER, ALTERNATOR REAR END
main27039-27060i200411-200906
main27039-31390i200906
27310FRAME ASSY, DRIVE END, ALTERNATOR
main27310-31220i200411-200610
27310BBEARING(FOR ALTERNATOR DRIVE END FRAME)
main90099-10142i200411-200612
main90099-10223i200612
27312PLATE, RETAINER
main27312-72100i200411-200610
27330ROTOR ASSY, ALTERNATOR
main27330-33090i200411-200610
27360COIL ASSY, ALTERNATOR
main27360-31220i200411-200906
main27360-31230i200411-200610
main27360-31460i200906
27370HOLDER ASSY, ALTERNATOR BRUSH
main27370-31220i200411-200610
27384WASHER
main27384-50030i200411-200610
27387INSULATOR, TERMINAL
main27387-20130i200411-200610
27415PULLEY, ALTERNATOR W/CLUTCH
main27415-0W010i200411-200810
main27415-0W130i200811-200909
27416CAP, ALTERNATOR PULLEY
main27416-0W010i200411-200810
main27416-0W050i200811-200909
1251131010BRACKET, ALTERNATOR, NO.1
9009900169
9009900197
9009904539
9009905284
9012608050
9151180820
9155281040
9415180600
9415180800

23 parts on this diagram · 1 diagram in section

ALTERNATOR — Toyota Parts Diagram with OEM Numbers & Prices | EPC Data