E
EPC Data

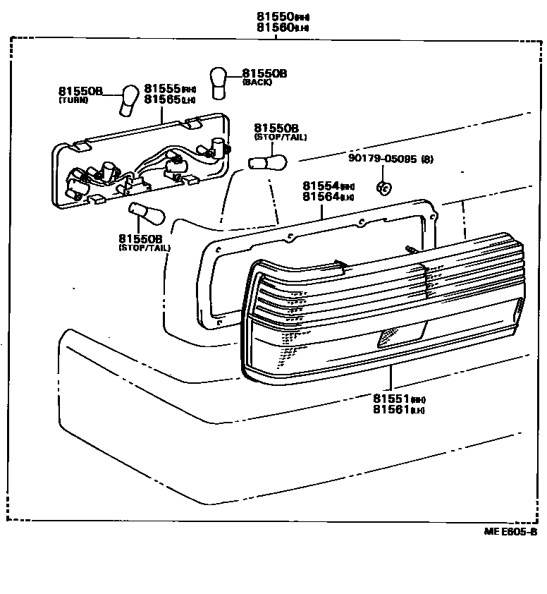
REAR COMBINATION LAMP

Parts diagram
81550LAMP ASSY, REAR COMBINATION, RH
main81550-22601i198608-198808
main81550-22651i198608-198808
main81550-23190i198608-198808
main81550-80230i198408-198608
main81550-80235i198408-198608
main81550-80246i198411-198608
81550BBULB(FOR REAR COMBINATION LAMP)
main99132-11230×4i198408-198808
main99132-21210×4i198408-198808
81551LENS, REAR COMBINATION LAMP, RH
main81551-22600i198408-198608
main81551-22601i198608-198808
main81551-22650i198408-198608
main81551-22651i198608-198808
main81551-23190i198411-198808
81554GASKET, REAR COMBINATION LAMP BODY, RH
main81554-22600i198408-198607
main81554-22601i198607-198808
main81554-22650i198408-198808
main81554-23190i198411-198808
81555SOCKET & WIRE SUB-ASSY, REAR COMBINATION LAMP, RH
main81555-22600i198408-198608
main81555-22601i198608-198808
main81555-22650i198408-198608
main81555-22651i198608-198808
main81555-23190i198411-198808
81560LAMP ASSY, REAR COMBINATION, LH
main81560-22601i198608-198808
main81560-22651i198608-198808
main81560-23190i198608-198808
main81560-80236i198408-198608
main81560-80241i198408-198608
main81560-80256i198411-198608
81561LENS, REAR COMBINATION LAMP, LH
main81561-22600i198408-198608
main81561-22601i198608-198808
main81561-22650i198408-198608
main81561-22651i198608-198808
main81561-23190i198411-198808
81564GASKET, REAR COMBINATION LAMP BODY, LH
main81554-22600i198408-198607
main81554-22601i198607-198808
main81554-22650i198408-198808
main81554-23190i198411-198808
81565SOCKET & WIRE SUB-ASSY, REAR COMBINATION LAMP, LH
main81555-23190i198411-198808
main81565-22600i198408-198608
main81565-22601i198608-198808
main81565-22650i198408-198608
main81565-22651i198608-198808
9017905095

10 parts on this diagram · 5 diagrams in section

REAR COMBINATION LAMP — Toyota Parts Diagram with OEM Numbers & Prices | EPC Data