E
EPC Data

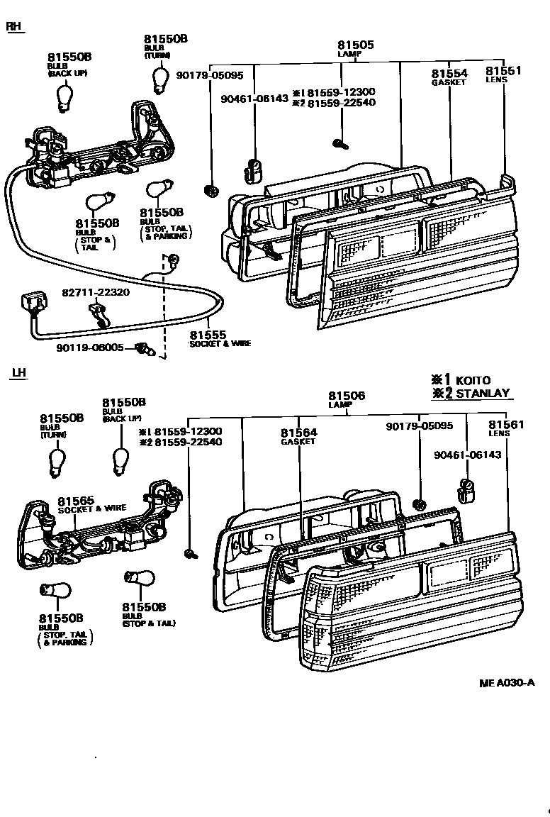
REAR COMBINATION LAMP

Parts diagram
81505LAMP SUB-ASSY, REAR COMBINATION, RH
main81505-29305i198009-198110
KOITO
main81505-29306i198110-198208
KOITO
main81505-29355i198009-198208
STANLAY
main81505-29395i198009-198208
main81505-29425i198208-198407
KOITO
main81505-29435i198208-198407
STANLAY
main81505-29445i198208-198407
81506LAMP SUB-ASSY, REAR COMBINATION, LH
main81506-29225i198009-198110
KOITO
main81506-29226i198110-198208
KOITO
main81506-29275i198009-198208
STANLAY
main81506-29315i198009-198208
main81506-29345i198208-198407
KOITO
main81506-29355i198208-198407
STANLAY
main81506-29365i198208-198407
81550LAMP ASSY, REAR COMBINATION, RH
main81550-80094i198011-198208
main81550-80140i198208-198407
81550BBULB(FOR REAR COMBINATION LAMP)
main99132-11230×4i198009-198407
main99132-21210×2i198009-198407
81551LENS, REAR COMBINATION LAMP, RH
main81551-22490i198009-198208
KOITO
main81551-22540i198009-198208
STANLAY
main81551-22580i198208-198407
KOITO
main81551-22590i198208-198407
STANLAY
main81551-91601i198011-198208
main81551-91604i198208-198407
main81551-95808i198009-198208
main81551-95809i198208-198407
81554GASKET, REAR COMBINATION LAMP BODY, RH
main81552-22531i198208-198407
KOITO
main81552-95808i198009-198208
main81554-22490i198009-198208
KOITO
main81554-22540i198009-198208
STANLAY
main81554-22590i198208-198407
STANLAY
main81554-91601i198011-198407
main81554-95809i198208-198407
81555SOCKET & WIRE SUB-ASSY, REAR COMBINATION LAMP, RH
main81555-22490i198009-198208
KOITO
main81555-22540i198009-198208
STANLAY
main81555-22580i198208-198407
KOITO
main81555-22590i198208-198407
STANLAY
main81555-91601i198011-198208
main81555-91604i198208-198407
main81555-95808i198009-198208
main81555-95809i198208-198407
81561LENS, REAR COMBINATION LAMP, LH
main81561-22490i198009-198208
KOITO
main81561-22540i198009-198208
STANLAY
main81561-22580i198208-198407
KOITO
main81561-22590i198208-198407
STANLAY
main81561-91601i198011-198208
main81561-91605i198208-198407
main81561-95803i198009-198208
main81561-95809i198208-198407
81564GASKET, REAR COMBINATION LAMP BODY, LH
main81552-22531i198208-198407
KOITO
main81552-95808i198009-198208
main81554-22490i198009-198208
KOITO
main81554-22540i198009-198208
STANLAY
main81554-22590i198208-198407
STANLAY
main81554-91601i198011-198407
main81554-95809i198208-198407
81565SOCKET & WIRE SUB-ASSY, REAR COMBINATION LAMP, LH
main81555-91601i198011-198208
W/RADIO
main81555-91604i198208-198407
W/RADIO
main81565-22490i198009-198208
KOITO
main81565-22540i198009-198208
STANLAY
main81565-22580i198208-198407
KOITO
main81565-22590i198208-198407
STANLAY
main81565-91604i198011-198208
W/O RADIO
main81565-91608i198208-198407
W/O RADIO
main81565-95803i198009-198208
main81565-95804i198208-198407
8155912300MOULDING, REAR COMBINATION LAMP, RH
8155922540MOULDING, REAR COMBINATION LAMP, RH
8271122320WIRE, FUSE TO FUSE(FOR COMBUSTION HEATER)
9011906005
9017905095
9046106143

16 parts on this diagram · 6 diagrams in section

REAR COMBINATION LAMP — Toyota Parts Diagram with OEM Numbers & Prices | EPC Data