E
EPC Data

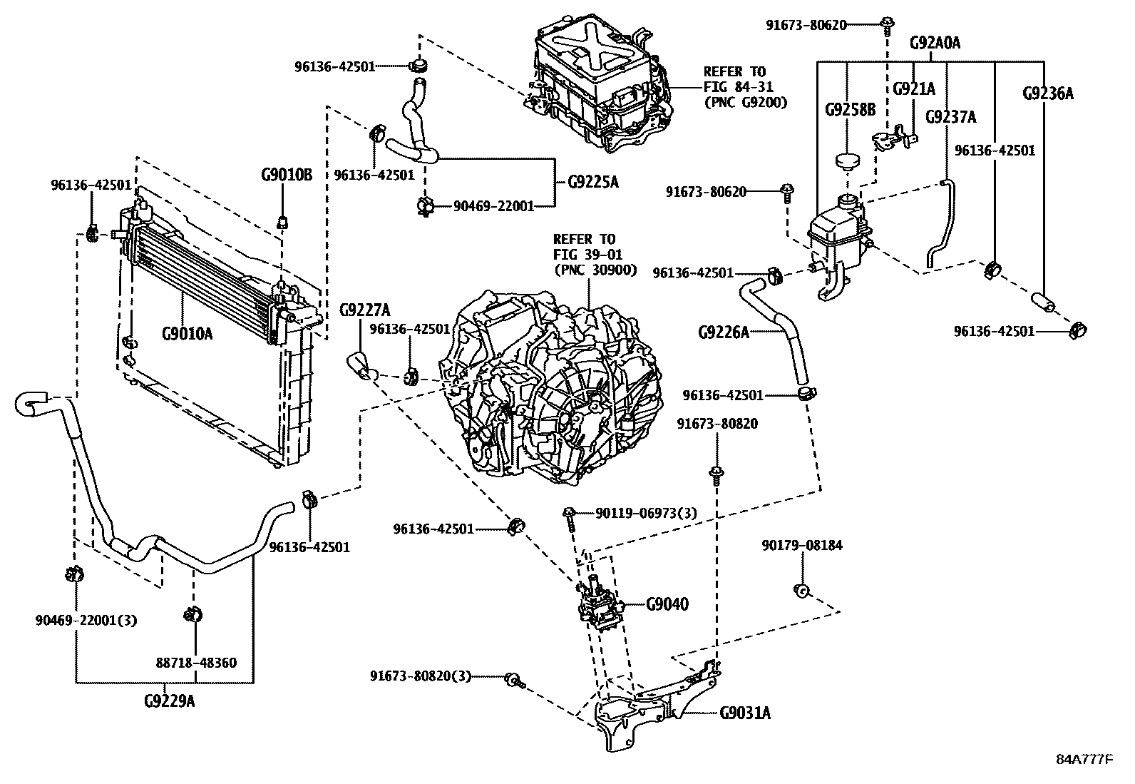
INVERTER COOLING

Parts diagram
3901TRANSAXLE ASSY(HEV OR BEV OR FCEV)
8431HEV INVERTER
G9010ARADIATOR ASSY
mainG901075010i200907-201006
mainG901075011i201006-201301
G9010BCUSHION, INVERTER RADIATOR
main16716-37010×2i200907-201301
G9031ABRACKET SUB-ASSY, HV WATER PUMP
mainG903175010i200907-201301
G9040INVERTER WATER PUMP ASSY(W/MOTOR)
mainG904033010i200907-201301
G921ABRACKET, INVERTER RESERVE TANK, NO.1
mainG921A75011i200907-201301
G9225AHOSE, INVERTER COOLING, NO.7
mainG922575010i200907-201301
G9226AHOSE, INVERTER COOLING, NO.2
mainG922675010i200907-201301
G9227AHOSE, INVERTER COOLING, NO.3
mainG922775010i200907-201301
G9229AHOSE, INVERTER COOLING, NO.5
mainG922975010i200907-201301
G9236AHOSE, INVERTER COOLING, NO.6
mainG923675010i200907-201301
G9237AHOSE, INVERTER DRAIN
mainG923775010i200907-201301
G9258BCAP, INVERTER RESERVE TANK
mainG925828010i200907-200908
mainG925828011i200909-201301
mainG925828012i201409
G92A0ATANK ASSY, INVERTER RESERVE
mainG92A075011i200907-201301
mainG92A075012i201409
8871848360PIPE, COOLER REFRIGERANT SUCTION, NO.2
9011906973
9017908184
9046922001
9167380620
9167380820
9613642501

22 parts on this diagram · 2 diagrams in section

INVERTER COOLING — Toyota Parts Diagram with OEM Numbers & Prices | EPC Data