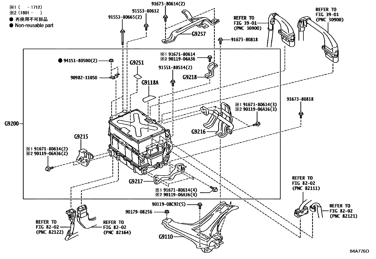
HEV INVERTER

3901TRANSAXLE ASSY(HEV OR BEV OR FCEV)
8202WIRING & CLAMP
G9110BRACKET ASSY, INVERTER
G9118ALABEL, HV MOTOR CONTROL INVERTER CAUTION
G9215BRACKET, INVERTER, NO.2
G9216BRACKET, INVERTER, NO.3
G9217BRACKET, INVERTER, NO.4
G9251SEAT, INVERTER NAME
G9257BRACKET, INVERTER, NO.5
9011906A36
main90119-06A36
9011908C92
main90119-08C92
9017908256
main90179-08256
9098211050
main90982-11050
9155180514
main91551-80514
9155380612
main91553-80612
9155380665
main91553-80665
9167180614
main91671-80614
9167380614
main91673-80614
9167380818
main91673-80818
9415180500
main94151-80500
22 parts on this diagram · 1 diagram in section