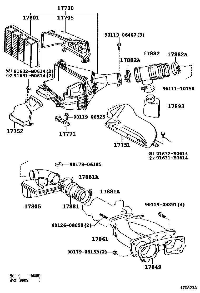
AIR CLEANER

17700CLEANER ASSY, AIR
17705CAP SUB-ASSY, AIR CLEANER
17751INLET, AIR CLEANER, NO.1
17752INLET, AIR CLEANER, NO.2
17771BRACKET, AIR CLEANER INLET DUCT
17801ELEMENT SUB-ASSY, AIR CLEANER FILTER
17805CONNECTOR SUB-ASSY, INTAKE AIR
17849GASKET, INTAKE AIR CONNECTOR
17861CONNECTOR, INTAKE AIR
17881ACLAMP(FOR AIR CLEANER HOSE, NO.1)
AIR FLOW METER SIDE
AIR CLEANER SIDE
17882HOSE, AIR CLEANER, NO.2
17882ACLAMP(FOR AIR CLEANER HOSE, NO.2)
17893RESONATOR, INTAKE AIR
9011906467
main90119-06467
9011906525
main90119-06525
9011908891
main90119-08891
9012608020
main90126-08020
9017906185
main90179-06185
9017908153
main90179-08153
91631B0614
main91631-B0614
91632B0614
main91632-B0614
9611110750
main96111-10750
23 parts on this diagram · 3 diagrams in section