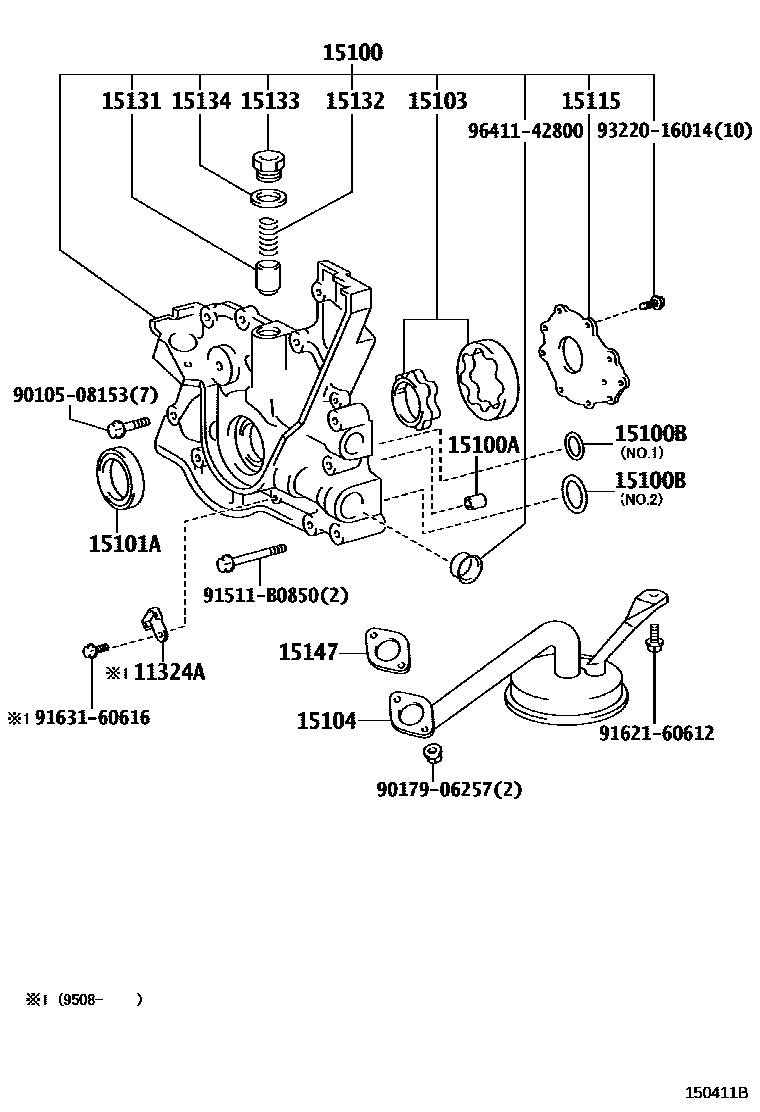
ENGINE OIL PUMP

11324APLATE, TIMING BELT
15100PUMP ASSY, OIL
15100APIN, RING(FOR OIL PUMP SET)
15101BODY SUB-ASSY, OIL PUMP
15101ASEAL(FOR CRANKSHAFT)
15104STRAINER SUB-ASSY, OIL
15132SPRING, OIL PUMP RELIEF VALVE
15133PLUG, OIL PUMP RELIEF VALVE
15134GASKET, OIL PUMP RELIEF VALVE
15147GASKET, OIL STRAINER
9010508153
main90105-08153
9017906257
main90179-06257
91511B0850
main91511-B0850
9162160612
main91621-60612
9163160616
main91631-60616
9322016014
main93220-16014
9641142800
main96411-42800
21 parts on this diagram · 2 diagrams in section