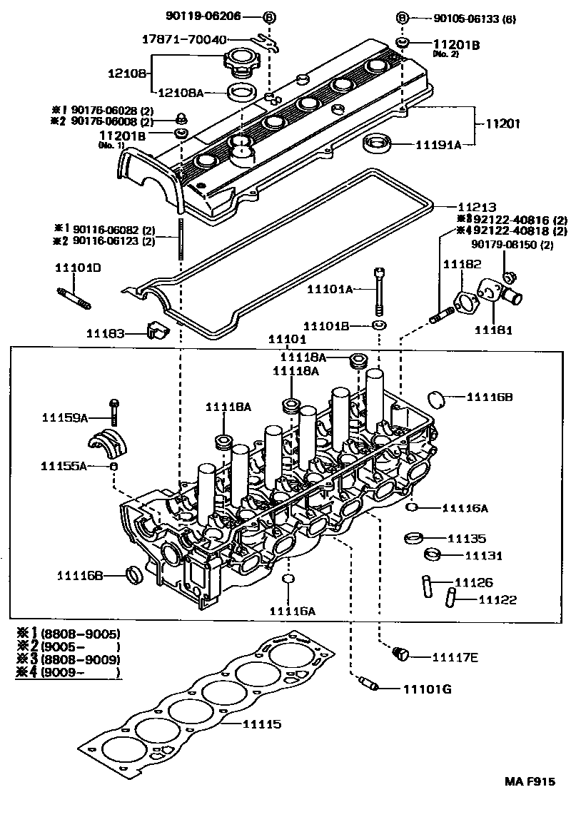
CYLINDER HEAD

11101HEAD SUB-ASSY, CYLINDER
*53
*54
11101ABOLT(FOR CYLINDER HEAD SET)
11101DBOLT, STUD(FOR WATER OUTLET)
11101GUNION(FOR CYLINDER HEAD)
*54 & (8808-8908)*53
*53 & (9005-9305)*54
11116APLUG, TIGHT, NO.1
11116BPLUG, TIGHT, NO.2
11117EPLUG, W/HEAD STRAIGHT SCREW, NO.1
11118APLUG, STRAIGHT, NO.1
11126BUSH, EXHAUST VALVE GUIDE
11131SEAT, INTAKE VALVE
11135SEAT, EXHAUST VALVE
11155APIN, RING W/HEAD
*54
11159BOLT, STUD(FOR HEAD TO CAMSHAFT BEARING CAP)
11181PLATE, CYLINDER HEAD, REAR
11183PLUG, SEMICIRCULAR
11191AGASKET(FOR SPARK PLUG TUBE)
11201COVER SUB-ASSY, CYLINDER HEAD
INTAKE SIDE
EXHAUST SIDE
11201BWASHER, SEAL(FOR CYLINDER HEAD COVER)
*54 & (8808-9002)*53
*53
sub90210-07001
sub90210-07001
sub90210-08020
11213GASKET, CYLINDER HEAD COVER
1787170040STAY, AIR CONNECTOR
main17871-70040
9010506133
main90105-06133
9011606082
main90116-06082
9011606123
main90116-06123
9011906206
main90119-06206
9017606008
main90176-06008
9017606028
main90176-06028
9017908150
main90179-08150
9212240816
main92122-40816
9212240818
main92122-40818
36 parts on this diagram · 5 diagrams in section