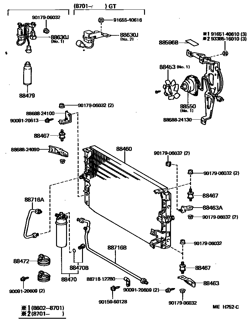
HEATING & AIR CONDITIONING - COOLER PIPING

88453FAN, COOLING (FOR CONDENSER)
NO.2
NO.1
NO.2
88463BRACKET, COOLER CONDENSER, NO.1
88463ABRACKET, COOLER CONDENSER, NO.2
88467CUSHION, COOLER CONDENSER, NO.1
88470RECEIVER & DRYER ASSY, COOLER
88470BBOLT, FUSE
88472BRACKET, RECEIVER TANK, NO.1
88479FREON GAS, AIR CONDITIONER (DRUM, COOLER REFRIGERANT)
88550MOTOR ASSY, BLOWER (FOR CONDENSER)
NO.2
NO.1
NO.1
NO.1
88596BPLATE, CAUTION, NO.1
88630JRELAY ASSY (FOR CONDENSER MOTOR)
NO.1
NO.2
88716APIPE, COOLER REFRIGERANT LIQUID, A
88716BPIPE, COOLER REFRIGERANT LIQUID, B
8868824090BRACKET, COOLER DIAPHRAGM
main88688-24090
8868824100BRACKET, COOLER DIAPHRAGM
main88688-24100
8868824130BRACKET, COOLER DIAPHRAGM
main88688-24130
8871812280PIPE, COOLER REFRIGERANT SUCTION, NO.2
main88718-12280
9009120609
main90091-20609
9009120613
main90091-20613
9015960128
main90159-60128
9017906032
main90179-06032
9165140610
main91651-40610
9165540616
main91655-40616
9338516010
main93385-16010
25 parts on this diagram · 4 diagrams in section