E
EPC Data

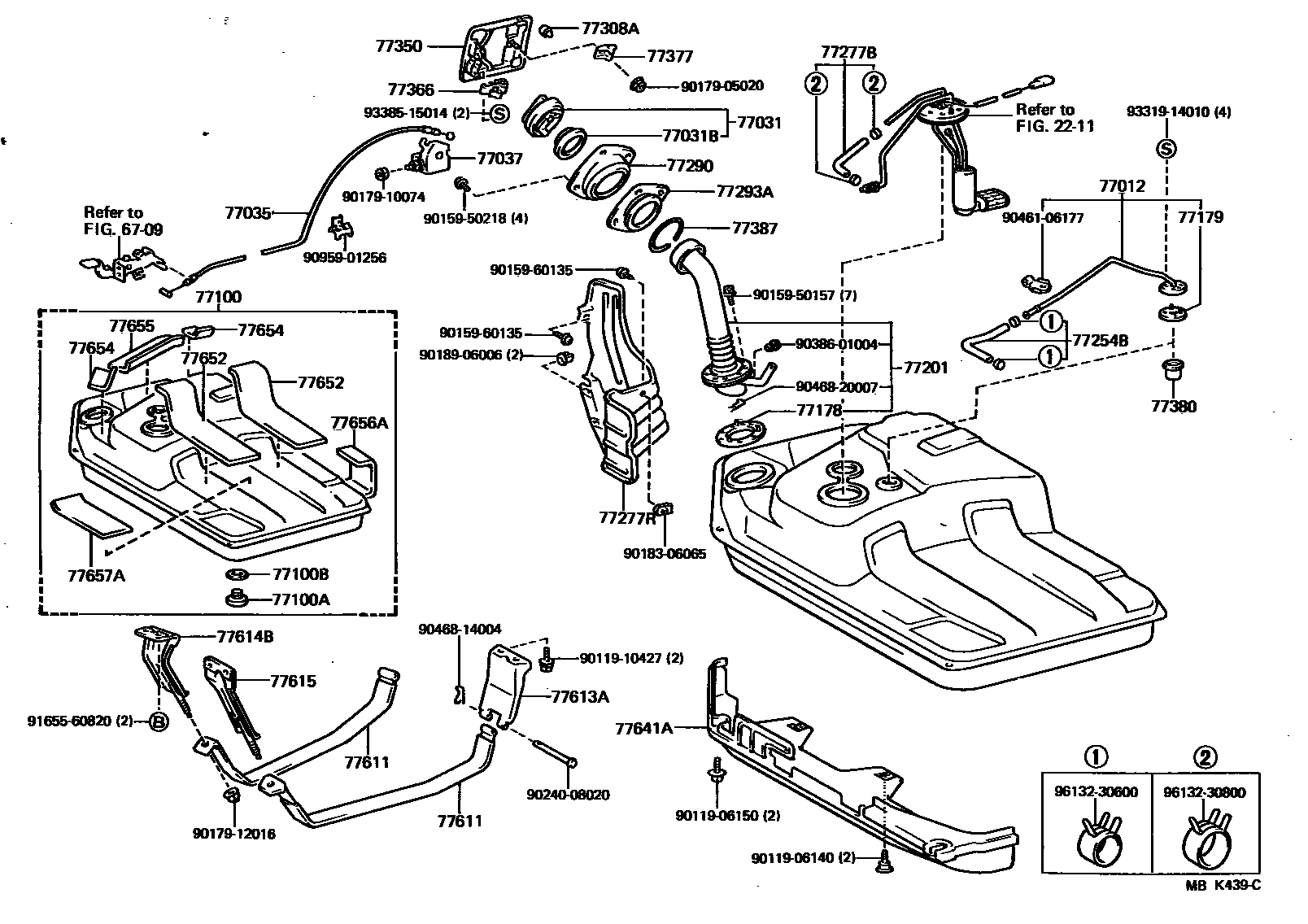
FUEL TANK & TUBE

Parts diagram
2211FUEL INJECTION SYSTEM
6709BACK DOOR LOCK & HANDLE
77012TUBE SUB-ASSY, FUEL TANK BREATHER
main77012-14050i198602-198608
main77012-14051i198608-198612
main77012-14060i198612-198808
77031CAP ASSY, FUEL TANK
main77310-12100i198602-198808
77031BGASKET (FOR FUEL TANK CAP)
main77316-12050i198602-198808
77035CABLE SUB-ASSY, FUEL LID LOCK CONTROL
main77035-14220i198602-198808
77037LOCK SUB-ASSY, FUEL FILLER OPENING LID
main77037-90K00i198602-198808
77100TANK ASSY, FUEL
main77001-19425i198602-198608
main77001-19426i198608-198808
77100APLUG(FOR FUEL TANK)
main90341-20004i198602-198808
77100BGASKET(FOR FUEL TANK)
main90430-20007i198602-198808
77178GASKET, FUEL TANK FILLER PIPE, LOWER
main77169-14010i198602-198808
77179RETAINER, FUEL TANK MOUNTING, FRONT
main77179-14040i198602-198608
main77179-16010i198608-198808
77201PIPE SUB-ASSY, FUEL TANK INLET
main77201-14280i198602-198808
77254TUBE, FUEL EMISSION, NO.1
main77019-14100i198602-198808
77254BHOSE, FUEL, NO.2 (FOR EMISSION TUBE, NO.1)
main77209-14080i198602-198808
77277TUBE, FUEL RETURN, NO.1
main77255-14380i198602-198808
main77255-14400i198602-198808
77277BHOSE, FUEL, NO.2(FOR RETURN TUBE, NO.1)
main77049-14040i198602-198808
77277RPROTECTOR, FUEL TANK FILLER PIPE
main77277-14110i198602-198701
main77277-14120i198701-198808
77290SHIELD ASSY, FUEL TANK FILLER PIPE
main77291-14050i198602-198808
77293ASHIELD, FUEL TANK FILLER PIPE, NO.3
main77293-20010i198602-198808
77308ACUSHION(FOR FUEL INLET BOX COVER)
main90541-08013×2i198602-198808
77350LID ASSY, FUEL FILLER OPENING
main77350-14050i198701-198808
main77350-14060i198602-198808
77366SPRING, FUEL FILLER OPENING LID HINGE
main77360-24010i198602-198808
77377RETAINER, FUEL FILLER OPENING LID LOCK
main77377-20030i198602-198808
77380VALVE ASSY, FUEL CUT OFF
main77380-14010i198602-198608
main77380-14020i198608-198808
77387RING, FUEL INLET BOX
main77391-16011i198602-198808
77611BAND, FUEL TANK
main77601-14070i198602-198808
RH
main77602-14050i198602-198808
LH
77613ABRACKET, FUEL TANK BAND, NO.1
main77613-14050×2i198602-198808
77614BBRACKET, FUEL TANK BAND, NO.2
main77614-14030i198602-198808
77615BRACKET, FUEL TANK BAND, NO.3
main77615-14010i198602-198808
77641APROTECTOR, FUEL TANK, NO.1
main77641-14090i198602-198808
COLD SPEC
main77641-24010i198602-198808
77652CUSHION, FUEL TANK, NO.1
main77651-14080×2i198602-198808
77654CUSHION, FUEL TANK, NO.2
main77652-14100×2i198602-198808
77655CUSHION, FUEL TANK, NO.3
main77653-14060i198602-198808
77656ACUSHION, FUEL TANK, NO.4
main77654-14030i198602-198808
77657ACUSHION, FUEL TANK, NO.5
main77655-14010i198602-198808
9011906140
9011906150
9011910427
9015950157
9015950218
9015960135
9017905020
9017910074
9017912016
9018306065
9018906006
9024008020
9038601004
9046106177
9046814004
9046820007
9095901256
9165560820
9331914010
9338515014
9613230600
9613230800

58 parts on this diagram · 2 diagrams in section

FUEL TANK & TUBE — Toyota Parts Diagram with OEM Numbers & Prices | EPC Data