E
EPC Data
Pricing
Sign In
Home
›
JP
›
291110
›
TRANSAXLE OR TRANSMISSION ASSY & GASKET KIT (ATM)
TRANSAXLE OR TRANSMISSION ASSY & GASKET KIT (ATM)
0001 1
0002 1
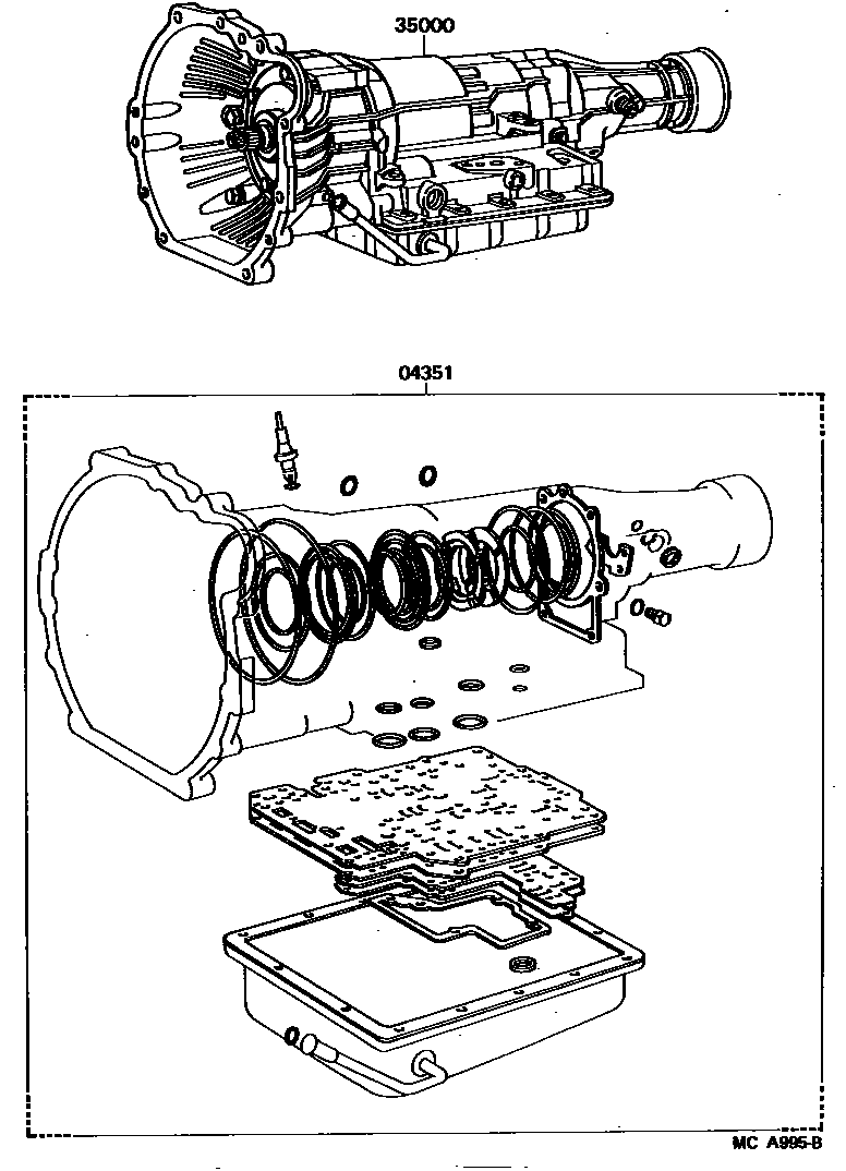
04351
GASKET KIT, AUTOMATIC TRANSMISSION OVERHAUL
main
04351-14030
i
GA70..4FC..(G,S)
198602-198808
main
04351-30091
i
GA70,MA70..4FC..GTT
198602-198608
main
04351-30092
i
GA70,MA70..4FC..GTT
198608-198808
main
04351-30093
i
GA70,MA70..4FC..(GTL,GTT)
198608-198808
main
04351-30120
i
GA70..4FC..GT
198602-198808
35000
TRANSMISSION ASSY, AUTOMATIC
main
35000-14880
i
GA70..4FC..GT
198602-198701
main
35000-14881
i
GA70..4FC..GT
198701-198808
main
35000-1B040
i
MA70
198602-198701
main
35000-1B050
i
MA70..4FC
198602-198808
W/ESC
main
35000-1B070
i
GA70..4FC..GTT
198701-198808
W/ESC
main
35000-1B080
i
MA70..GTT
198701-198808
main
35000-24140
i
GA70..4FC..(G,S)
198602-198808
main
35000-24160
i
GA70..4FC..GTT
198602-198701
main
35000-24161
i
GA70..4FC..GTT
198701-198808
2 parts on this diagram · 2 diagrams in section
TRANSAXLE OR TRANSMISSION ASSY & GASKET KIT (ATM) — Toyota Parts Diagram with OEM Numbers & Prices | EPC Data