E
EPC Data

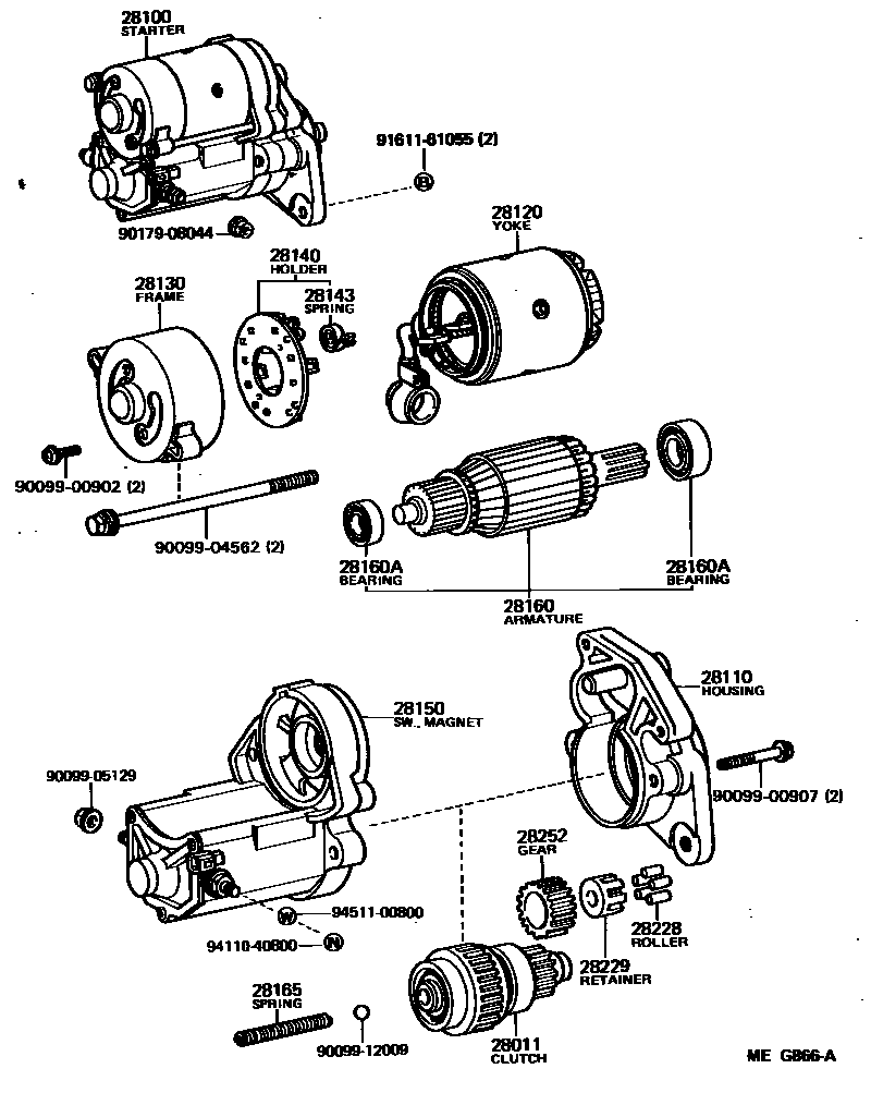
STARTER

Parts diagram
28011CLUTCH SUB-ASSY, STARTER
main28011-26042i198602-198808
12V 1.0KW,1.4KW
28100STARTER ASSY
main28100-15040i198602-198808
main28100-41060i198602-198808
main28100-45050i198602-198808
28110HOUSING ASSY, STARTER DRIVE
main28110-15040i198602-198808
12V 1.0KW
main28110-41060i198602-198808
12V 1.0KW
main28110-45050i198602-198808
12V 1.4KW
28120YOKE ASSY, STARTER
main28120-15090i198602-198808
12V 1.4KW
main28120-26070i198602-198707
12V 1.0KW
main28120-26071i198602-198808
12V 1.0KW
28130FRAME ASSY, STARTER COMMUTATOR END
main28130-15020i198602-198808
12V 1.0KW
main28130-15040i198602-198808
12V 1.0KW
main28130-15090i198602-198808
12V 1.4KW
28140HOLDER ASSY, STARTER BRUSH
main28140-15090i198602-198808
12V 1.4KW
main28140-26070i198602-198808
12V 1.0KW
28143SPRING, STARTER BRUSH
main90099-17112×4i198602-198808
12V 1.0KW,1.4KW
28150SWITCH ASSY, MAGNET STARTER
main28150-15070i198602-198808
12V 1.0KW
main28150-41060i198602-198808
12V 1.0KW
main28150-45050i198602-198808
12V 1.4KW
28160ARMATURE ASSY, STARTER
main28160-15090i198602-198808
12V 1.4KW
main28160-26070i198602-198808
12V 1.0KW
28160ABEARING, STARTER ARMATURE
main28253-45020i198602-198808
12V 1.0KW,SMALL TYPE
main90099-10113i198602-198808
12V 1.0KW,LARGE TYPE
main90099-10143i198602-198808
12V 1.4KW,LARGE TYPE
main90099-10144i198602-198808
12V 1.4KW,SMALL TYPE
28165SPRING, STARTER MAGNET SWITCH RETURN
main28165-26040i198602-198808
12V 1.0KW,1.4KW
28228ROLLER, STARTER IDLE GEAR CLUTCH
main28228-26040×5i198602-198808
12V 1.0KW,1.4KW
28229RETAINER, STARTER IDLE GEAR
main28229-26040i198602-198808
12V 1.0KW,1.4KW
28252GEAR, STARTER IDLE
main28254-45020i198602-198808
12V 1.0KW,1.4KW
9009900902
9009900907
9009904562
9009905129
9009912009
9017908044
9161161055
9411040800
9451100800

23 parts on this diagram · 3 diagrams in section

STARTER — Toyota Parts Diagram with OEM Numbers & Prices | EPC Data