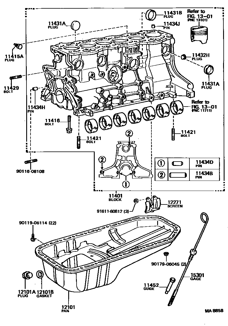
CYLINDER BLOCK

11401BLOCK SUB-ASSY, CYLINDER
sub11401-49577
sub11401-79158
sub11401-79246
sub11401-79376
sub11401-79386
sub11401-80025
sub11401-80033
11415COCK SUB-ASSY, WATER DRAIN(FOR CYLINDER BLOCK)
11415APLUG, WATER DRAIN COCK(FOR CYLINDER BLOCK)
11416BOLT(FOR CRANKSHAFT BEARING CAP SET)
*10-1.25PX67-18
*12-1.25PX67-22
11421BOLT, STUD(FOR OIL PAN)
11429BOLT, STUD(FOR ALTERNATOR BRACKET)
11431APLUG, TIGHT, NO.1(FOR CYLINDER BLOCK)
OD=35
OD=40
11431BPLUG, TIGHT, NO.2(FOR CYLINDER BLOCK)
OD=40
OD=35
11432HPLUG, W/HEAD TAPER SCREW, NO.5
11434BPIN, STRAIGHT(FOR CLUTCH HOUSING SET)
11434DPIN, STRAIGHT(FOR ENGINE REAR OIL SEAL)
11434HPIN, RING (FOR TIMING BELT COVER SET)
11434JPIN, RING (FOR CYLINDER HEAD SET)
11452GUIDE, OIL LEVEL GAGE
12101PAN SUB-ASSY, OIL
12271SCREEN, OIL SEPARATOR
1301
9011608108
main90116-08108
9011906114
main90119-06114
9017906045
main90179-06045
9161160812
main91611-60812
24 parts on this diagram · 4 diagrams in section