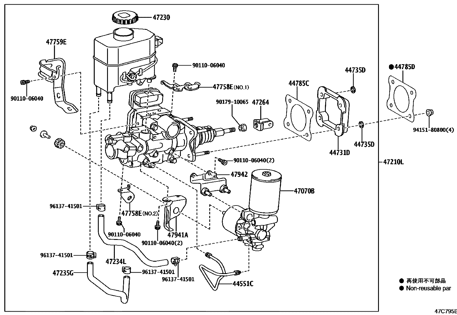
BRAKE MASTER CYLINDER

44551CTUBE, BRAKE ACTUATOR, NO.1
44731DBRACKET, BRAKE BOOSTER
44735DRING, BOOSTER BRACKET STOPPER
44785CGASKET, BRAKE BOOSTER
44785DGASKET, BRAKE MASTER CYLINDER
47070BPUMP ASSY, BRAKE BOOSTER W/ACCUMULATOR
47210LBRAKE BOOSTER ASSY, W/MASTER CYLINDER
47230CAP ASSY, BRAKE MASTER CYLINDER RESERVOIR FILLER
47234LHOSE, RESERVOIR, NO.1
47235GHOSE, RESERVOIR, NO.2
47264CLEVIS, MASTER CYLINDER PUSH ROD
47759EBRACKET, WIRE CLAMP, NO.2
47941ABRACKET, BRAKE POWER SUPPLY, NO.1
47942BRACKET, BRAKE POWER SUPPLY, NO.2
9011006040
main90110-06040
9017910065
main90179-10065
9415180800
main94151-80800
9613741501
main96137-41501
19 parts on this diagram · 1 diagram in section