E
EPC Data

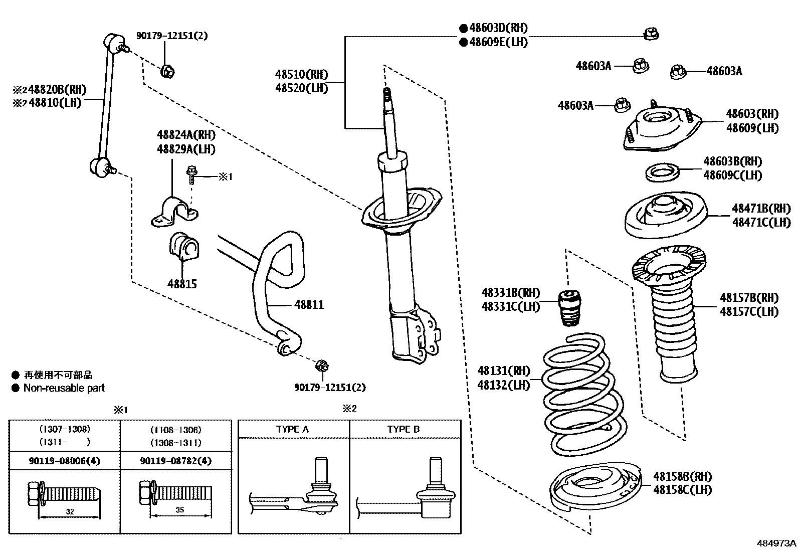
FRONT SPRING & SHOCK ABSORBER

Parts diagram
48131SPRING, FRONT COIL, RH
main48131-33B80i201409-201704
48132SPRING, FRONT COIL, LH
main48131-33B80i201108-201409
48157BINSULATOR, FRONT COIL SPRING, UPPER RH
main48157-33072i201108-201409
main48157-33080i201409-201704
48157CINSULATOR, FRONT COIL SPRING, UPPER LH
main48157-33072i201108-201409
main48157-33080i201409-201704
48158BINSULATOR, FRONT COIL SPRING, LOWER RH
main48158-33050i201108-201409
main48158-33080i201409-201704
48158CINSULATOR, FRONT COIL SPRING, LOWER LH
main48158-33050i201108-201409
main48158-33080i201409-201704
48331BBUMPER, FRONT SPRING, RH
main48331-33070i201108-201409
main48331-33071i201604-201704
48331CBUMPER, FRONT SPRING, LH
main48331-33070i201108-201409
main48331-33071i201604-201704
48471BSEAT, FRONT COIL SPRING, UPPER RH
main48471-41012i201108-201409
48471CSEAT, FRONT COIL SPRING, UPPER LH
main48471-41012i201108-201409
48510ABSORBER ASSY, SHOCK, FRONT RH
main48510-80560i201108-201209
main48510-80628i201209-201409
main48510-80705i201409-201506
main48510-80830i201506-201704
48520ABSORBER ASSY, SHOCK, FRONT LH
main48520-80282i201108-201209
main48520-80332i201209-201409
main48520-80399i201409-201506
main48520-80504i201506-201704
48603SUPPORT SUB-ASSY, FRONT SUSPENSION, RH
main48609-33230i201409-201704
48603ANUT(FOR FRONT SUSPENSION SUPPORT)
main90178-10017×6i201108-201409
48603BBEARING(FOR FRONT SUSPENSION SUPPORT RH)
main90903-63014i201108-201409
48603DNUT(FOR FRONT SUPPORT TO FRONT SHOCK ABSORBER RH)
main90177-14005i201409-201505
main90177-14007i201506-201704
main90179-14015i201108-201209
48609SUPPORT SUB-ASSY, FRONT SUSPENSION, LH
main48609-33230i201108-201409
48609CBEARING(FOR FRONT SUSPENSION SUPPORT LH)
main90903-63014i201108-201409
48609ENUT(FOR FRONT SUPPORT TO FRONT SHOCK ABSORBER LH)
main90177-14005i201209-201409
main90177-14007i201506-201704
main90179-14015i201108-201209
48810LINK ASSY, FRONT STABILIZER, LH
main48820-33040i201108-201409
main48820-33070i201607-201704
48811BAR, STABILIZER, FRONT
main48811-33160i201108-201409
48815BUSH, FRONT STABILIZER BAR, NO.1
main48815-33100×2i201108-201409
main48815-33101×2i201506-201704
48820BLINK ASSY, FRONT STABILIZER, RH
main48820-33040i201108-201409
main48820-33070i201607-201704
48824ABRACKET, FRONT STABILIZER, NO.1 RH
main48824-26210i201108-201409
48829ABRACKET, FRONT STABILIZER, NO.1 LH
main48824-26210i201108-201409
9011908782
9011908D06
9017912151

28 parts on this diagram · 1 diagram in section

FRONT SPRING & SHOCK ABSORBER — Toyota Parts Diagram with OEM Numbers & Prices | EPC Data