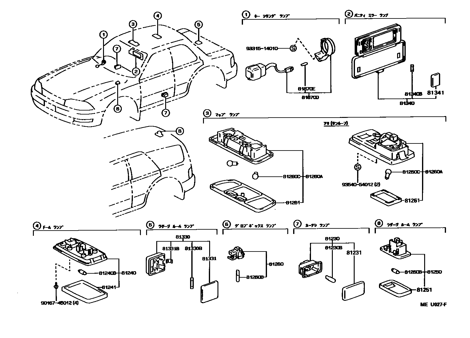
INTERIOR LAMP

81230LAMP ASSY, COURTESY
81230BBULB(FOR COURTESY LAMP)
81231LENS, COURTESY LAMP
81240LAMP ASSY, ROOM, NO.1
LIGHT GRAY,TRIM1#
LIGHT OAK,TRIM4#
81240BBULB, ROOM LAMP, NO.1
81241LENS, ROOM LAMP, NO.1
81250LAMP ASSY, ROOM, NO.2
81250BBULB, ROOM LAMP, NO.2
81251LENS, ROOM LAMP, NO.2
81260LAMP ASSY, GLOVE BOX
81260ALAMP ASSY, MAP
LIGHT GRAY,TRIM1#
LT.OAK,TRIM4#
81260BBULB(FOR GLOVE BOX)
81260CBULB(FOR MAP LAMP)
81261LENS AND COVER, MAP LAMP
LIGHT GRAY,TRIM1#
LIGHT OAK,TRIM4#
81330LAMP ASSY, LUGGAGE COMPARTMENT, NO.1
81330BBULB, LUGGAGE COMPARTMENT LAMP
81331LENS, LUGGAGE COMPARTMENT LAMP
81331BCLIP, LUGGAGE LAMP
81340LAMP ASSY, VANITY
81340BBULB (FOR VANITY LAMP)
81341LENS, VANITY LAMP
81870DLAMP ASSY, KEY CYLINDER
81870EBULB, KEY CYLINDER LAMP
9016745012
main90167-45012
9331514010
main93315-14010
9354054012
main93540-54012
26 parts on this diagram · 1 diagram in section