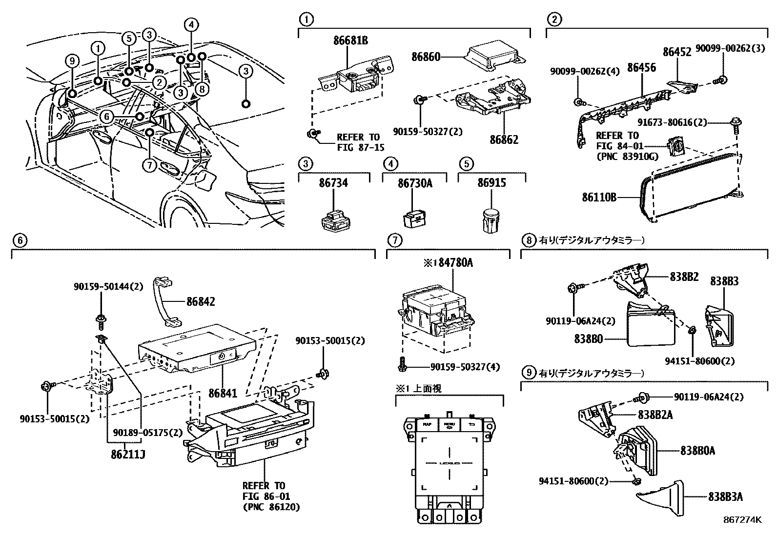
NAVIGATION & FRONT MONITOR DISPLAY

838B0DISPLAY ASSY, OUTER MIRROR, RH
838B0ADISPLAY ASSY, OUTER MIRROR, LH
838B2BRACKET, OUTER MIRROR DISPLAY, RH
838B2ABRACKET, OUTER MIRROR DISPLAY, LH
838B3COVER, OUTER MIRROR DISPLAY, RH
838B3ACOVER, OUTER MIRROR DISPLAY, LH
8401SWITCH & RELAY & COMPUTER
84780ACONTROLLER ASSY, REMOTE OPERATION
8601RADIO RECEIVER & AMPLIFIER & CONDENSER
86110BMULTI-DISPLAY ASSY
86211JBRACKET, RADIO RECEIVER, NO.1
86452PANEL, SUB-CLUSTER MODULE, NO.1
BLACK,TRIM1#,2#
NOBLE BROWN,TRIM5#,6#
86456COVER, MULTI-MEDIA MODULE
86681BDIVIDER, ANTENNA
86730AMICROPHONE ASSY, TELEPHONE
86734MICROPHONE, ACTIVE NOISE CONTROL
86841COMPUTER, NAVIGATION
86842WIRE, NAVIGATION, NO.1
86860ANTENNA ASSY, NAVIGATION
86862BRACKET, NAVIGATION ANTENNA
86915TRANSCEIVER, OPTICAL BEACON
8715HEATING & AIR CONDITIONING - CONTROL & AIR DUCT
9009900262
main90099-00262
9011906A24
main90119-06A24
9015350015
main90153-50015
9015950144
main90159-50144
9015950327
main90159-50327
9018905175
main90189-05175
9167380616
main91673-80616
9415180600
main94151-80600
30 parts on this diagram · 3 diagrams in section