E
EPC Data

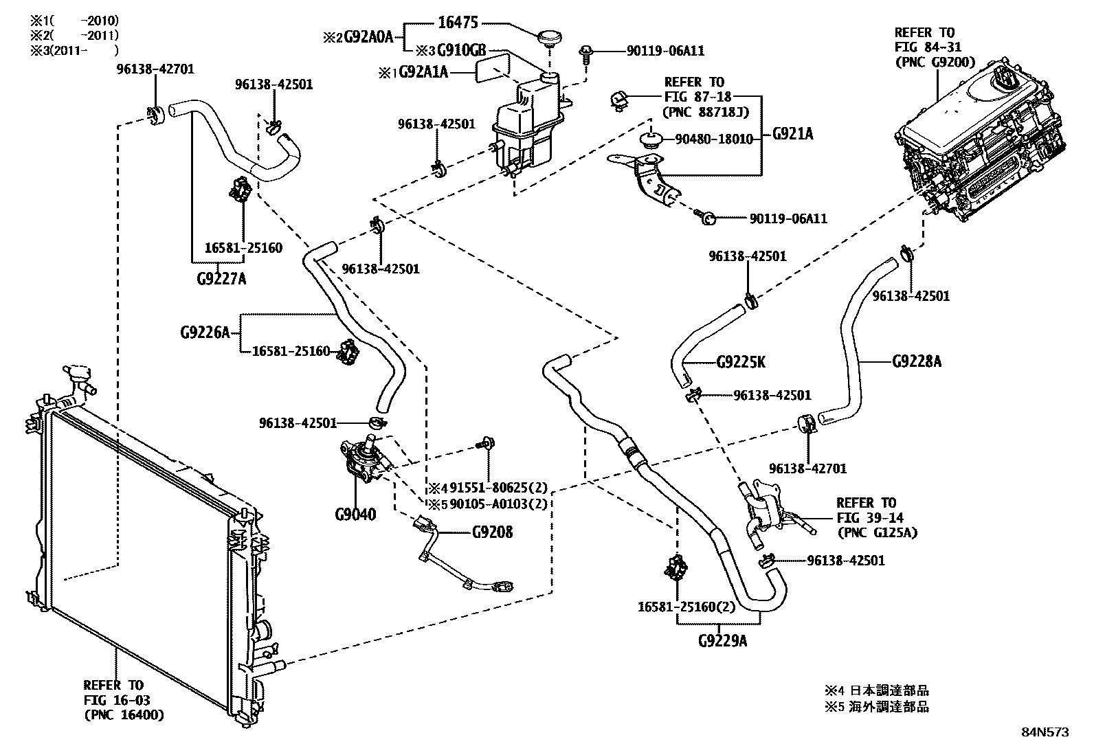
INVERTER COOLING

Parts diagram
1603RADIATOR & WATER OUTLET
16475CAP, RESERVE TANK
main16475-28140i201810-202108
3914OIL COOLER & TUBE (HEV OR BEV OR FCEV)
8431HEV INVERTER
8718HEATING & AIR CONDITIONING - COOLER PIPING
G9040INVERTER WATER PUMP ASSY(W/MOTOR)
mainG904033050i201810-202108
mainG904048060i202402
G910GBTANK SUB-ASSY, INVERTER RESERVE W/O CAP
mainG910G33010i202011-202108
G9208WIRE SUB-ASSY, INVERTER
mainG920833060i201810-202108
G921ABRACKET, INVERTER RESERVE TANK, NO.1
mainG91H233010i201810-202108
mainG91H233011i202311
G9225KHOSE, INVERTER COOLING, NO.1
mainG922533080i201810-202108
G9226AHOSE, INVERTER COOLING, NO.2
mainG922633021i201810-201908
mainG922633022i201909-202108
G9227AHOSE, INVERTER COOLING, NO.3
mainG922733020i201810-201908
mainG922733021i201909-202108
G9228AHOSE, INVERTER COOLING, NO.4
mainG922833030i201810-202108
G9229AHOSE, INVERTER COOLING, NO.5
mainG922933031i201810-201908
mainG922933032i201909-202108
G92A0ATANK ASSY, INVERTER RESERVE
mainG91H033010i201810-202011
G92A1ALABEL, HYBRID COOLANT SYSTEM INFORMATION
mainG92A176010i201810-202010
1658125160CLAMP, HOSE(FOR WATER HOSE)
90105A0103
9011906A11
9048018010
9155180625
9613842501
9613842701

23 parts on this diagram · 1 diagram in section

INVERTER COOLING — Toyota Parts Diagram with OEM Numbers & Prices | EPC Data