E
EPC Data

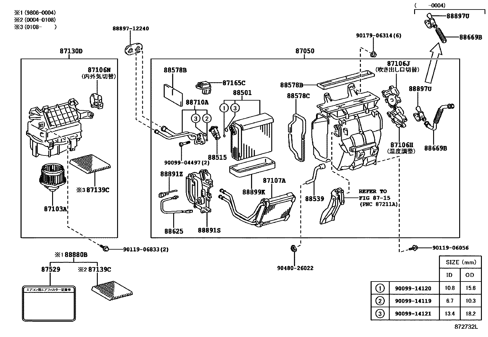
HEATING & AIR CONDITIONING - COOLER UNIT

Parts diagram
87050RADIATOR ASSY, AIR CONDITIONER
main87050-32010i199806-200004
main87050-32020i199806-200004
main87050-32030i200004
main87050-32040i200004
87103AMOTOR SUB-ASSY, COOLING UNIT, W/FAN
main87103-32040i199806
87106HSERVO SUB-ASSY, DAMPER(FOR AIRMIX)
main87106-32120i199806
87106JSERVO SUB-ASSY, DAMPER(FOR MODE)
main87106-32180i199806
87106NSERVO SUB-ASSY, DAMPER(FOR RECIRCULATION)
main87106-32190i199806
87107AUNIT SUB-ASSY, HEATER RADIATOR
main87107-32120i199806
main87107-32130i199806
87130DBLOWER ASSY
main87130-32160i199806-200108
main87130-32170i200108
87139CFILTER, CLEAN AIR
main87139-28010i200004-200307
main87139-47020i200004-200307
8715
87165CCONTROL, BLOWER MOTOR
main87165-32010i199806-200108
87529PLATE, AIR FILTER CAUTION
main87529-50020i199806-199908
88501EVAPORATOR SUB-ASSY, COOLER, NO.1
main88501-32110i199806
88515VALVE, COOLER EXPANSION
main88515-30700i199806-199810
main88515-48040i199810
88539HOSE, COOLER UNIT DRAIN, NO.1
main88539-32070i199806
88578BPACKING, COOLING UNIT, NO.1
main88578-32100i199806
88578CPACKING, COOLING UNIT, NO.2
main88578-32110×2i199806
88625THERMISTOR, COOLER, NO.1
main88625-32200i199810-199903
main88625-60130i199806-199810
main88625-60140i199903
88669BHOSE, COOLER AIR
main88669-32410i200004
main88669-41010i199806-200004
88710ATUBE ASSY, AIR CONDITIONER
main88710-32180i199806
88880BFILTER ASSY, CLEAN AIR
main88880-32010i199806-200004
88891SCOVER, COOLER, NO.1
main88891-32090i199806-199903
main88891-32091i199903
88891ZBRACKET, COOLER THERMISTOR
main88891-20240i199806-199903
main88891-32100i199903
88897UPIPE, ASPIRATOR
main88897-12210i199806-199903
main88897-32090i199903
88899KPLATE, COVER
main88899-47030i199806
8889712240VALVE, COOLER MAGNET
9009904497
9009914119
9009914120
9009914121
9011906056
9011906833
9017906314
9048026022

33 parts on this diagram · 1 diagram in section

HEATING & AIR CONDITIONING - COOLER UNIT — Toyota Parts Diagram with OEM Numbers & Prices | EPC Data