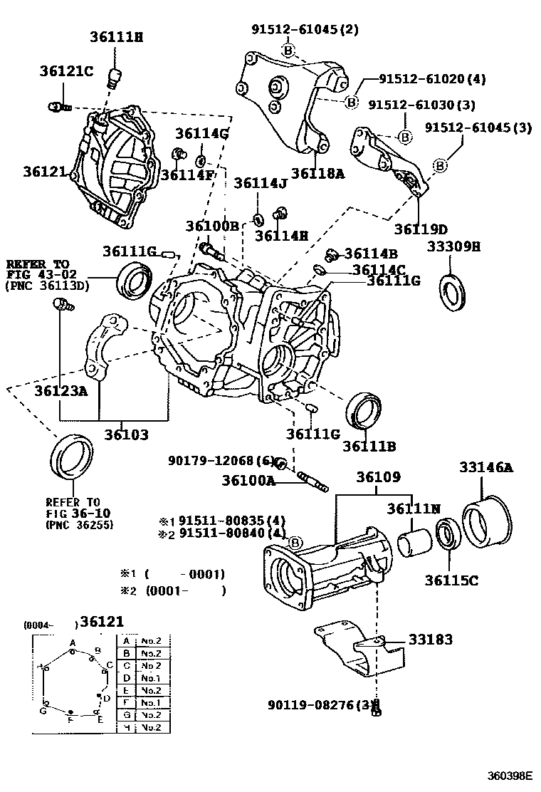
TRANSFER CASE & EXTENSION HOUSING

33146ADEFLECTOR, TRANSFER EXTENSION HOUSING DUST
33183DAMPER, TRANSFER DYNAMIC
33309HWASHER, TRANSFER OUTPUT SHAFT
3610
36100ABOLT, STUD (FOR TRANSFER & TRANSAXLE SETTING)
36100BBOLT (FOR TRANSFER & TRANSAXLE SETTING)
36109HOUSING SUB-ASSY, TRANSFER EXTENSION
sub36109-48010
36111BSEAL, OIL (FOR TRANSFER CASE)
36111HPLUG, BREATHER (FOR TRANSFER CASE)
36111NBUSH (FOR TRANSFER CASE)
36114BPLUG, NO.1 (FOR TRANSFER CASE)
36114CGASKET, NO.1 (FOR TRANSFER CASE)
36114FPLUG (FOR TRANSFER DRAIN)
36114GGASKET (FOR TRANSFER DRAIN PLUG)
36114HPLUG, NO.2 (FOR TRANSFER CASE)
36114JGASKET, NO.2 (FOR TRANSFER CASE)
36115CSEAL, TYPE T OIL (FOR TRANSFER EXTENSION HOUSING)
sub90311-38090
36118APLATE, TRANSFER STIFFENER, RH
36119DPLATE, TRANSFER STIFFENER, CENTER
36121COVER, TRANSFER CASE, NO.1
36121CBOLT, WASHER BASED HEAD HEXAGON (FOR TRANSFER CASE COVER)
36123ABOLT, DIFFERENTIAL BEARING CAP
4302
9011908276
main90119-08276
9017912068
main90179-12068
9151180835
main91511-80835
9151180840
main91511-80840
9151261020
main91512-61020
9151261030
main91512-61030
9151261045
main91512-61045
32 parts on this diagram · 2 diagrams in section