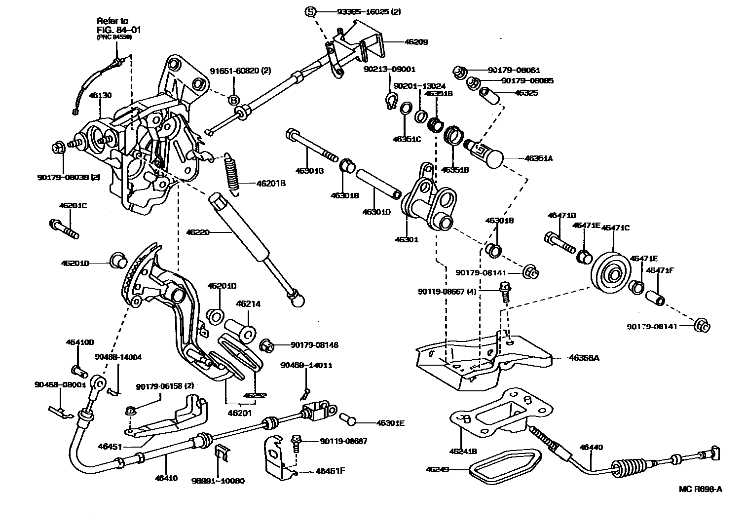
PARKING BRAKE & CABLE

46130BRACKET ASSY, PARKING BRAKE PEDAL
46201PEDAL SUB-ASSY, PARKING BRAKE
46201BSPRING, TENSION
46201CSHAFT, PEDAL
46201DBUSH(FOR PARKING BRAKE PEDAL)
46209CABLE SUB-ASSY, PARKING BRAKE RELEASE
SHADOW GRAY,TRIM1#
MD.GRAY,TRIM1#
OAK,TRIM4#
MD.OAK,TRIM4#
MD.GRAY,TRIM1#
MD.OAK,TRIM4#
46214BOSS, PARKING BRAKE PEDAL
46220ABSORBER ASSY, PARKING BRAKE PEDAL RETURN
46241BOOT, PARKING BRAKE LEVER
46241BBOOT, INTERMEDIATE LEVER
46249SHIELD, PARKING BRAKE HOLE
46252PAD, PARKING PEDAL
46301LEVER SUB-ASSY, PARKING BRAKE INTERMEDIATE
46301BBUSH(FOR INTERMEDIATE LEVER)
46301DCOLLAR(FOR INTERMEDIATE LEVER)
46301EPIN, W/HOLE(FOR INTERMEDIATE LEVER)
46301GBOLT(FOR INTERMEDIATE LEVER)
46325SLEEVE, PARKING BRAKE CABLE
46351ASHAFT, INTERMEDIATE LEVER
46351BBUSH(FOR INTERMEDIATE LEVER SHAFT)
46351CSHIM(FOR INTERMEDIATE LEVER SHAFT)
46356ABRACKET, INTERMEDIATE LEVER(FOR PARKING BRAKE)
46410CABLE ASSY, PARKING BRAKE, NO.1
46410DPIN(FOR PARKING BRAKE FRONT CABLE)
46440CABLE ASSY, PARKING BRAKE, NO.4
46451BRACKET, CABLE SUPPORT
46451FBRACKET, CABLE SUPPORT
46471CPULLEY, INTERMEDIATE LEVER
46471DBOLT(FOR INTERMEDIATE LEVER PULLEY)
46471EBUSH(FOR INTERMEDIATE LEVER PULLEY)
46471FCOLLAR(FOR INTERMEDIATE LEVER PULLEY)
8401
9011908667
main90119-08667
9017906158
main90179-06158
9017908038
main90179-08038
9017908061
main90179-08061
9017908085
main90179-08085
9017908141
main90179-08141
9017908146
main90179-08146
9020113024
main90201-13024
9021309001
main90213-09001
9046808001
main90468-08001
9046814004
main90468-14004
9046814011
main90468-14011
9165160820
main91651-60820
9338516025
main93385-16025
9699110080
main96991-10080
47 parts on this diagram · 5 diagrams in section