E
EPC Data

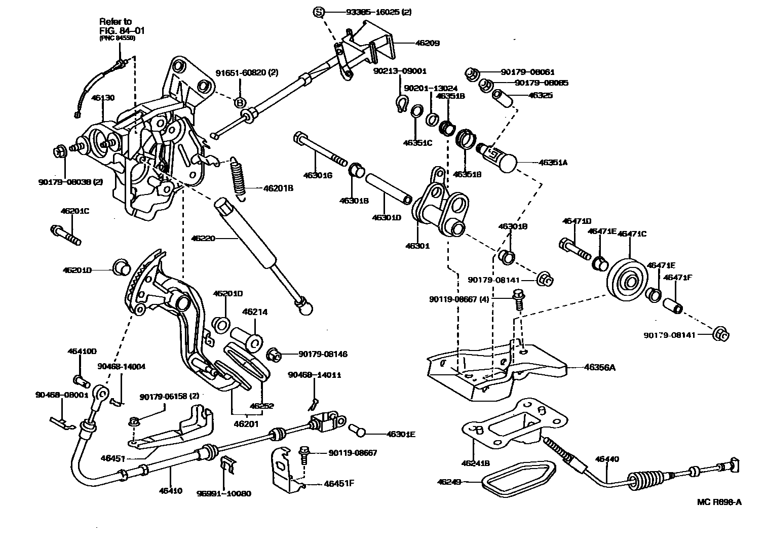
PARKING BRAKE & CABLE

Parts diagram
46130BRACKET ASSY, PARKING BRAKE PEDAL
main46130-32040i199406
46201PEDAL SUB-ASSY, PARKING BRAKE
main46210-33060i199406
46201BSPRING, TENSION
main90507-16023i199406
46201CSHAFT, PEDAL
main91611-60850i199406
46201DBUSH(FOR PARKING BRAKE PEDAL)
main90386-16022×2i199406
46209CABLE SUB-ASSY, PARKING BRAKE RELEASE
main46209-32040-B0i199406-199605
SHADOW GRAY,TRIM1#
main46209-32040-B1i199605-199609
MD.GRAY,TRIM1#
main46209-32040-E0i199406-199605
OAK,TRIM4#
main46209-32040-E1i199605-199609
MD.OAK,TRIM4#
main46209-32041-B1i199609
MD.GRAY,TRIM1#
main46209-32041-E1i199609
MD.OAK,TRIM4#
46214BOSS, PARKING BRAKE PEDAL
main46214-32020i199406
46220ABSORBER ASSY, PARKING BRAKE PEDAL RETURN
main46220-30010i199406
46241BOOT, PARKING BRAKE LEVER
main46241-33010i199406
46241BBOOT, INTERMEDIATE LEVER
main46241-32040i199406
46249SHIELD, PARKING BRAKE HOLE
main46249-32020i199406
main46249-32030i199406
46252PAD, PARKING PEDAL
main46252-20010i199406
46301LEVER SUB-ASSY, PARKING BRAKE INTERMEDIATE
main46301-32040i199406
46301BBUSH(FOR INTERMEDIATE LEVER)
main90386-13011×2i199406
46301DCOLLAR(FOR INTERMEDIATE LEVER)
main90387-08044i199406
46301EPIN, W/HOLE(FOR INTERMEDIATE LEVER)
main46442-33010i199406
46301GBOLT(FOR INTERMEDIATE LEVER)
main90101-08111i199406
46325SLEEVE, PARKING BRAKE CABLE
main46325-32030i199406
46351ASHAFT, INTERMEDIATE LEVER
main46351-32020i199406
46351BBUSH(FOR INTERMEDIATE LEVER SHAFT)
main90386-13013i199406
main90386-20003i199406
46351CSHIM(FOR INTERMEDIATE LEVER SHAFT)
main90564-13002i199406
main90564-13003i199406
main90564-13005i199406
main90564-13006i199406
main90564-13007i199406
main90564-13008i199406
46356ABRACKET, INTERMEDIATE LEVER(FOR PARKING BRAKE)
main46356-33010i199406
46410CABLE ASSY, PARKING BRAKE, NO.1
main46410-32130i199406
main46410-32140i199406
46410DPIN(FOR PARKING BRAKE FRONT CABLE)
main90240-08062i199406
46440CABLE ASSY, PARKING BRAKE, NO.4
main46440-32030i199406
46451BRACKET, CABLE SUPPORT
main46451-32060i199406
46451FBRACKET, CABLE SUPPORT
main46451-32070i199406
46471CPULLEY, INTERMEDIATE LEVER
main46471-32010i199406-199407
main46471-32020i199407
46471DBOLT(FOR INTERMEDIATE LEVER PULLEY)
main90101-08112i199406
46471EBUSH(FOR INTERMEDIATE LEVER PULLEY)
main90386-13011×2i199406-199407
46471FCOLLAR(FOR INTERMEDIATE LEVER PULLEY)
main90387-08045i199406
8401
9011908667
9017906158
9017908038
9017908061
9017908085
9017908141
9017908146
9020113024
9021309001
9046808001
9046814004
9046814011
9165160820
9338516025
9699110080

47 parts on this diagram · 5 diagrams in section

PARKING BRAKE & CABLE — Toyota Parts Diagram with OEM Numbers & Prices | EPC Data