E
EPC Data

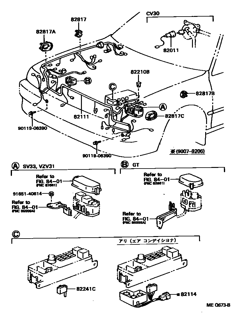
WIRING & CLAMP

Parts diagram
82011WIRING ASSY, BRAKE WARNING SYSTEM
main82011-20040i199007-199206
82111WIRE, ENGINE ROOM MAIN
main82111-32610i199007-199010
main82111-32611i199010-199206
main82111-32620i199007-199010
main82111-32620i199007-199010
main82111-32620i199007-199010
main82111-32621i199010-199206
main82111-32621i199010-199206
main82111-32621i199010-199206
main82111-32630i199007-199010
main82111-32631i199010-199206
main82111-32640i199007-199010
main82111-32641i199010-199206
main82111-32650i199007-199010
main82111-32651i199010-199206
main82111-32660i199007-199010
main82111-32661i199010-199206
main82111-32670i199007-199010
main82111-32671i199010-199206
main82111-32680i199007-199010
main82111-32681i199010-199206
main82111-32690i199007-199010
main82111-32691i199010-199206
main82111-32700i199007-199010
main82111-32701i199010-199206
main82111-32710i199007-199010
main82111-32711i199010-199206
main82111-32740i199105-199206
main82111-32750i199105-199206
main82111-32760i199105-199206
main82111-32770i199206-199406
main82111-32780i199206-199306
main82111-32780i199206-199306
main82111-32780i199206-199306
main82111-32780i199206-199306
main82111-32781i199306-199406
main82111-32781i199306-199406
main82111-32790i199206-199306
main82111-32790i199206-199306
main82111-32790i199206-199306
main82111-32790i199306-199406
main82111-32790i199306-199406
main82111-32800i199206-199406
main82111-32810i199306-199406
main82111-32810i199206-199306
main82111-32810i199206-199306
main82111-32810i199306-199406
main82111-32820i199206-199406
main82111-32830i199206-199306
main82111-32831i199306-199406
main82111-32840i199306-199406
main82111-32840i199206-199306
main82111-32850i199206-199406
82114WIRE, ENGINE ROOM, NO.4
main82114-32140i199007-199206
main82114-32150i199007-199206
82210BFUSIBLE LINK
main90982-08190i199206-199406
82241CWIRE, RELAY
main82241-32040i199206-199406
main82241-32040i199007-199206
NO.1 JUNCTION BLOCK
main82241-32060i199007-199206
TEMS CHECK CONECTOR
82817PROTECTOR, WIRING HARNESS, NO.1
main82817-2B730i199007-199101
main82817-32840i199101-199206
82817APROTECTOR, WIRING HARNESS, NO.2
main82817-32730i199007-199406
82817BPROTECTOR, WIRING HARNESS, NO.3
main82817-2B730i199007-199101
main82817-32840i199101-199406
82817CPROTECTOR, WIRING HARNESS, NO.4
main82817-32760i199007-199406
8401
9011906390
9165140614

12 parts on this diagram · 14 diagrams in section

WIRING & CLAMP — Toyota Parts Diagram with OEM Numbers & Prices | EPC Data