E
EPC Data

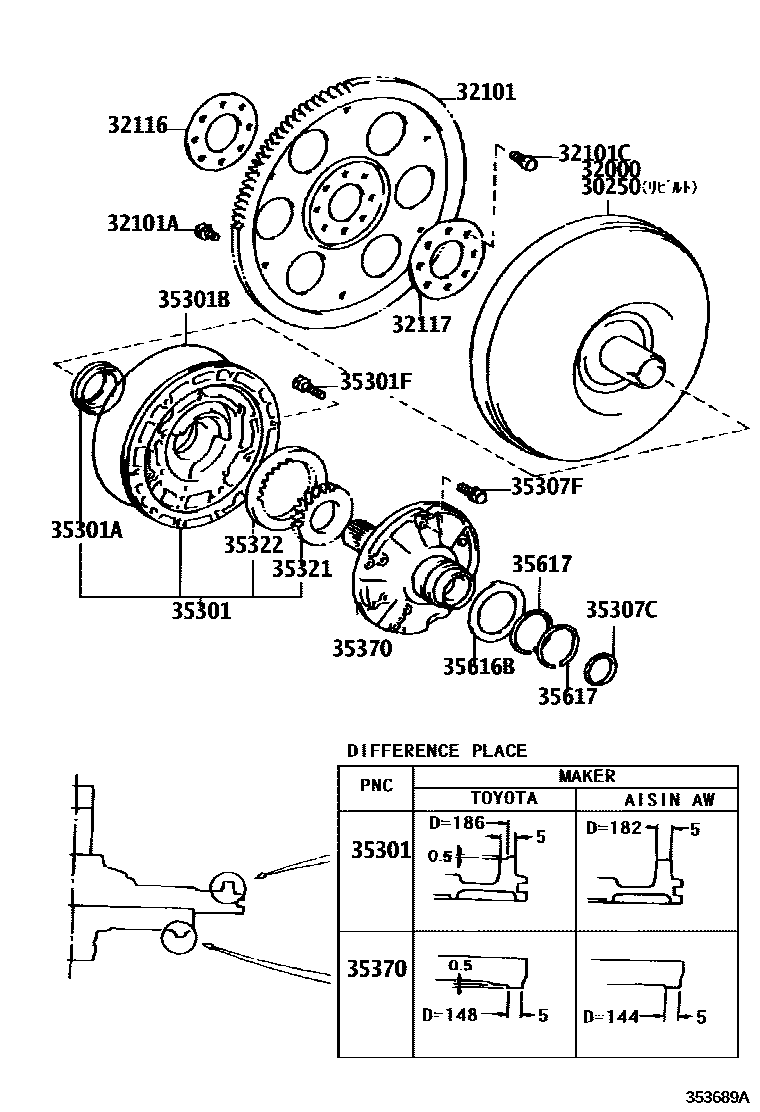
TORQUE CONVERTER, FRONT OIL PUMP & CHAIN (ATM)

Parts diagram
30250CONVERTER ASSY, TORQUE, REBUILT
main30250-20180i199007-199206
main30250-20190i199007-199406
main30250-20200i199007-199406
main30250-32100i199105-199406
32000CONVERTER ASSY, TORQUE
main32000-20180i199007-199206
main32000-20190i199007-199406
main32000-20200i199007-199406
main32000-32030i199007-199206
main32000-32071i199007-199308
main32000-32100i199105-199406
main32000-32110i199206-199406
main32000-32120i199308-199406
32101GEAR SUB-ASSY, DRIVE PLATE & RING
main32101-20081i199007-199206
main32101-32050i199007-199406
main32101-32060i199007-199206
main32101-32080i199105-199406
main32101-32110i199007-199406
main32101-32120i199206-199406
main32101-32130i199007-199206
32101ABOLT(FOR DRIVE PLATE & TORQUE CONVERTER SETTING)
main90105-12184i199007-199206
main90109-08113i199007-199406
main90119-08498i199007-199406
main90119-09009i199007-199106
main90119-09009i199007-199105
main90119-09010i199007-199105
main90119-09010i199007-199106
main90119-09018i199105-199406
main90119-09018i199106-199206
main90119-09019i199105-199406
main90119-09019i199106-199206
32101CBOLT, HEXAGON(FOR DRIVE PLATE SETTING)
main90105-10048i199105-199406
main90105-12184i199007-199206
main90109-10037i199007-199406
main90109-10054i199007-199406
32116SPACER, DRIVE PLATE, FRONT
main32116-20030i199007-199406
main32116-20050i199007-199206
main32116-32011i199007-199406
main32116-32020i199007-199406
32117SPACER, DRIVE PLATE, REAR
main32117-20040i199007-199406
main32117-20060i199007-199206
main32117-32010i199007-199406
main32117-32020i199007-199406
35301BODY SUB-ASSY, FRONT OIL PUMP
main35035-32010i199007-199105
main35035-32010i199007-199406
main35035-32020i199007-199406
main35035-32030i199007-199406
35301ASEAL, OIL (FOR FRONT OIL PUMP)
main90311-38020i199007-199406
35301BRING, O (FOR FRONT OIL PUMP BODY)
main90301-99024i199007-199406
35301FBOLT (FOR FRONT OIL PUMP SETTING)
main90105-08050i199007-199406
35307CRACE, THRUST BEARING (FOR STATOR SHAFT)
main35789-32020i199007-199406
main35789-32030i199007-199406
35307FBOLT (FOR STATOR SHAFT)
main90119-06180i199007-199406
35321GEAR, FRONT OIL PUMP DRIVE
main35321-12020i199007-199406
main35321-12030i199007-199406
main35321-12040i199007-199406
main35321-12050i199007-199406
main35321-12060i199007-199406
main35321-12070i199108-199406
main35321-12080i199108-199406
main35321-12090i199108-199406
main35321-12100i199206-199406
main35321-12110i199206-199406
main35321-32040i199007-199206
main35321-32050i199007-199206
main35321-32060i199007-199206
35322GEAR, FRONT OIL PUMP DRIVEN
main35322-12010i199007-199406
main35322-12020i199007-199406
main35322-12030i199007-199406
main35322-12040i199007-199406
main35322-12050i199007-199406
main35322-12060i199108-199406
main35322-12070i199108-199406
main35322-12080i199108-199406
main35322-12090i199206-199406
main35322-12100i199206-199406
main35322-32040i199007-199206
main35322-32050i199007-199206
main35322-32060i199007-199206
35370SHAFT ASSY, STATOR
main35370-12040i199007-199406
main35370-32040i199007-199105
main35370-32050i199007-199406
main35370-33010i199105-199406
35616BWASHER, CLUTCH DRUM THRUST (FOR STATOR SHAFT)
main35616-32010i199007-199406
35617RING, CLUTCH DRUM OIL SEAL
main35617-32011i199007-199406

18 parts on this diagram · 1 diagram in section

TORQUE CONVERTER, FRONT OIL PUMP & CHAIN (ATM) — Toyota Parts Diagram with OEM Numbers & Prices | EPC Data