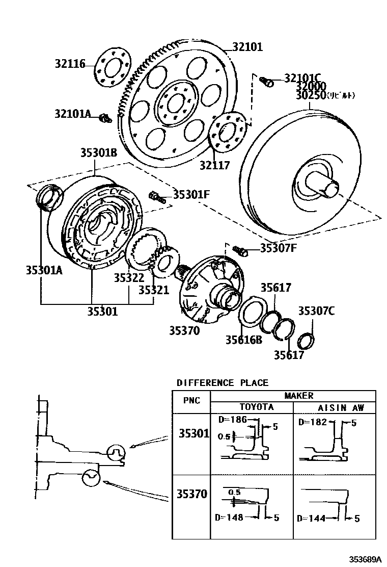
30250CONVERTER ASSY, TORQUE, REBUILT
main30250-20180iSV32,33,VZV30,31..4FC..(GT,PRO)199007-199206 main30250-20190iSV32,33..4FC..(ETO,LUM,VE,VX,ZX)199007-199406 32000CONVERTER ASSY, TORQUE
main32000-20180iSV32,33,VZV30,31..4FC..(GT,PRO)199007-199206 main32000-20190iSV32,33..4FC..(ETO,LUM,VE,VX,ZX)199007-199406 32101GEAR SUB-ASSY, DRIVE PLATE & RING
main32101-32050iSV30,32,33..4FC..(ETO,LUM,VE,VL,VR,VX,XT,ZE,ZV,ZX)199007-199406 32101ABOLT(FOR DRIVE PLATE & TORQUE CONVERTER SETTING)
32101CBOLT, HEXAGON(FOR DRIVE PLATE SETTING)
main90109-10054×8iSV3#..4FC..(ETO,LUM,VE,VL,VR,VX,XT,ZE,ZV,ZX)199007-199406 32116SPACER, DRIVE PLATE, FRONT
main32116-32011iSV3#..4FC..(ETO,LUM,VE,VL,VR,VX,XT,ZE,ZV,ZX)199007-199406 32117SPACER, DRIVE PLATE, REAR
main32117-32010iSV3#..4FC..(ETO,LUM,VE,VL,VR,VX,XT,ZE,ZV,ZX)199007-199406 35301BODY SUB-ASSY, FRONT OIL PUMP
35301ASEAL, OIL (FOR FRONT OIL PUMP)
35301BRING, O (FOR FRONT OIL PUMP BODY)
35301FBOLT (FOR FRONT OIL PUMP SETTING)
35307CRACE, THRUST BEARING (FOR STATOR SHAFT)
35307FBOLT (FOR STATOR SHAFT)
35321GEAR, FRONT OIL PUMP DRIVE
35322GEAR, FRONT OIL PUMP DRIVEN
main35322-32060iCV30,SV30,32,33,VZV3#..4FC199007-199105 35616BWASHER, CLUTCH DRUM THRUST (FOR STATOR SHAFT)
35617RING, CLUTCH DRUM OIL SEAL