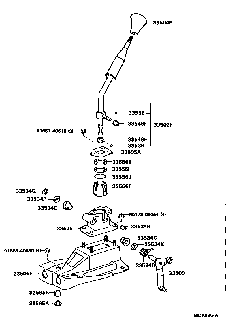
SHIFT LEVER & RETAINER

33504FKNOB SUB-ASSY, SHIFT LEVER
MEDIUM GRAY,TRIM1#
sub33504-12180
SABLE,TRIM4#
sub33504-12180
TAUPE,TRIM9#
sub33504-12180
sub33504-24010
sub33504-20110
MI GRAY,TRIM1#
OAK,TRIM4#
TAUPE,TRIM9#
33509CRANK SUB-ASSY, SELECTING BELL, NO.1
33534CBUSH (FOR SELECTING BELLCRANK NO.1)
33534DSPRING, TORSION (FOR SELECTING BELLCRANK NO.1)
33534KWASHER, WAVE (FOR SELECTING BELLCRANK NO.1)
33534PWASHER, PLATE (FOR SELECTING BELLCRANK NO.1)
33534QRING, E (FOR SELECTING BELLCRANK NO.1)
33534RCUSHION (FOR SELECTING BELLCRANK NO.1)
33539CUSHION, SHIFT LEVER ANTI-RATTLE
33548FBUSH, NO.1, SHIFT LEVER (FOR FLOOR SHIFT)
33556BBUSH (FOR TRANSMISSION SHIFT LEVER BALL SEAT)
33556FSEAT, TRANSMISSION SHIFT LEVER BALL
33556HSHIM (FOR TRANSMISSION SHIFT LEVER BALL SEAT)
33556JRING, SHAFT SNAP (FOR TRANSMISSION SHIFT LEVER SEAT)
33565ABUSH, NO.1 (FOR CONTROL SHIFT LEVER RETAINER PLATE)
33565BBUSH, NO.2 (FOR CONTROL SHIFT LEVER RETAINER PLATE)
33575RETAINER, CONTROL SHIFT LEVER (FOR FLOOR SHIFT)
33695ACOVER, SHIFT LEVER BALL
9017908054
main90179-08054
9165140610
main91651-40610
9166540830
main91665-40830
23 parts on this diagram · 6 diagrams in section